LEMON Manuals: Even more car manuals for everyone: 1960-2025
Home >> Genesis >> 2017 >> G90 5.0 Ultimate, AWD >> Repair and Diagnosis >> External Pages >> Different car >> Section 164 (Smart Key System) >> Smart Key Unit >> Repair Procedures >> Inspection >> Trunk Open Switch
April 5, 2026: LEMON Manuals is launched! Read the announcement.

Trunk Open Switch

WARNING: This page is about a different car, the 2016 Kia K900. However, it is still accessible from the selected car via links, so may be relevant.
  1. Check for continuity between the trunk open switch terminals.
    Fig 1: Trunk Open Switch Connector Terminals
    G11804087Courtesy of KIA MOTORS AMERICA, INC.
  2. If continuity is not specified, inspect the switch
    Fig 2: Trunk Open Switch Connector Terminals Continuity Chart
    G11804088Courtesy of KIA MOTORS AMERICA, INC.
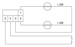
    Fig 3: Trunk Open Switch Circuit Diagram
    G11804089Courtesy of KIA MOTORS AMERICA, INC.