LEMON Manuals: Even more car manuals for everyone: 1960-2025
Home >> Genesis >> 2021 >> G70 3.3T, AWD >> Repair and Diagnosis >> Steering >> Steering Column >> Steering Column Module >> Steering Column Module (SCM) >> Schematic Diagrams >> Notes
April 5, 2026: LEMON Manuals is launched! Read the announcement.

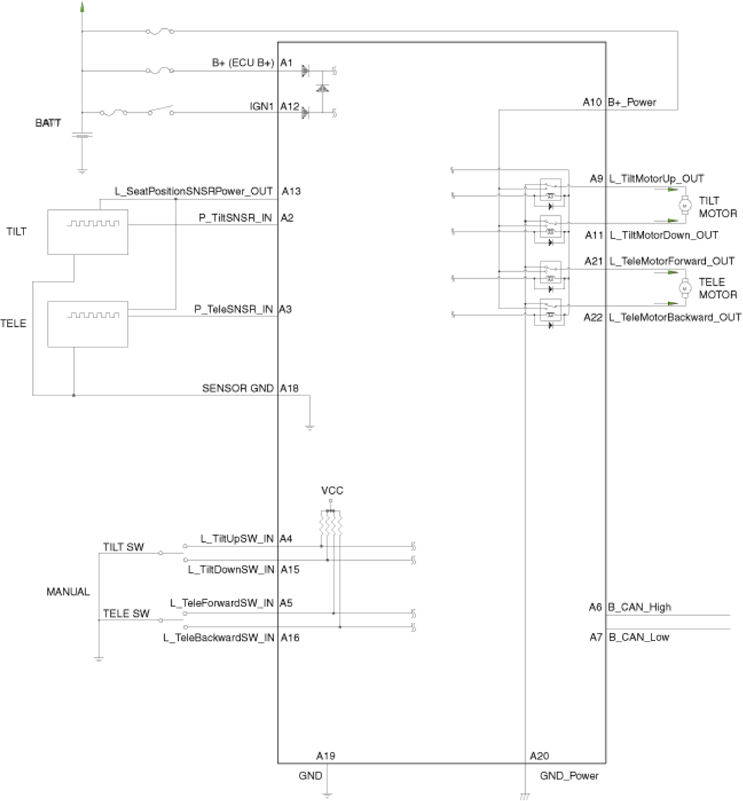
Schematic Diagrams: Notes

G14176748Courtesy of HYUNDAI MOTOR AMERICA