LEMON Manuals: Even more car manuals for everyone: 1960-2025
Home >> Genesis >> 2023 >> GV70 2.5T Advanced >> Repair and Diagnosis >> Steering >> Steering Column >> Motor Driven Power Steering System >> Steering Column Module (SCM) >> Schematic Diagrams
April 5, 2026: LEMON Manuals is launched! Read the announcement.

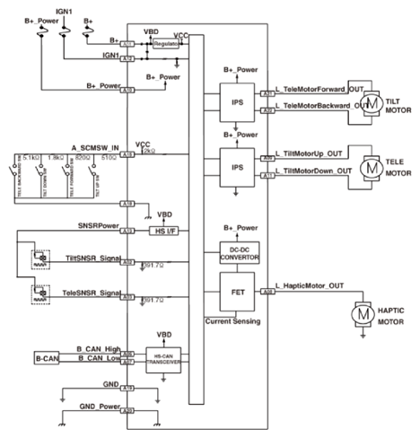
Schematic Diagrams

G14753741Courtesy of HYUNDAI MOTOR AMERICA