LEMON Manuals: Even more car manuals for everyone: 1960-2025
Home >> Geo >> 1989 >> Tracker Base, Automatic >> Repair and Diagnosis >> Engine Performance >> System >> System/Component Tests >> Fuel System >> Fuel Control >> System Performance Test 5 (TPS Wide Open Throttle Spectrum)
April 5, 2026: LEMON Manuals is launched! Read the announcement.

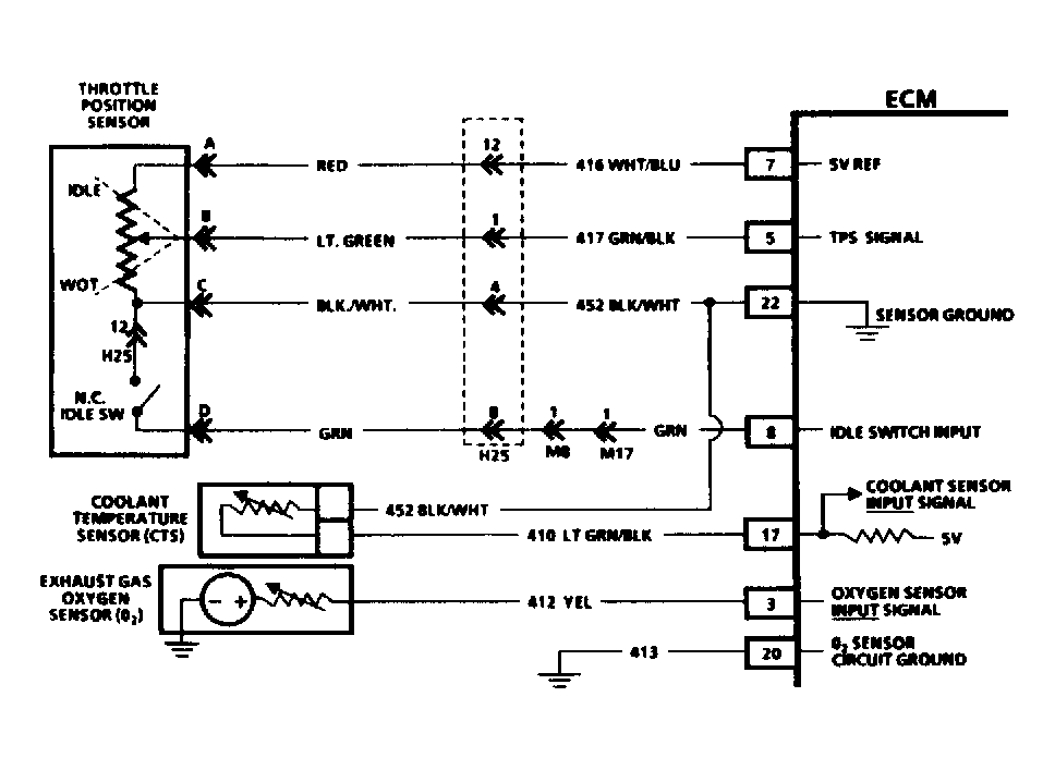
System Performance Test 5 (TPS Wide Open Throttle Spectrum)

  1. Ground terminal "A" on ALDL with engine idling. Connect dwell meter (6-cyl. scale) to dwell lead at carburetor. Warm engine until dwell starts to vary.
  2. Connect jumper between ECM terminals No. 5 and 22 and note dwell. See Figure . If dwell changes to less than 20 degrees, go to step 3). If dwell does not change, check ECM connections. If connectors are okay, replace ECM.
  3. Remove jumper wire at ECM. With ignition on and engine off, check voltage from ECM terminal No. 5 to 22 while depressing accelerator pedal. If there is no voltage, go to step 4). If voltage decreased from greater than 3 volts (idle) to less than 3 volts (wide open throttle), perform SYSTEM PERFORMANCE TEST 1.
  4. If voltage is greater than 6 volts, repair short to battery voltage to ECM terminal No. 5, 7 or 22. If voltage is 2-6 volts, check TPS assembly.
  5. If voltage is less than 2 volts, in step 4). Check open wire or grounded wire to ECM terminal No. 5 or 7, if okay check TPS assembly.