LEMON Manuals: Even more car manuals for everyone: 1960-2025
Home >> Honda >> 1987 >> Civic Base, 2D Hatchback >> Repair and Diagnosis >> Engine Performance >> System >> Electronic Control System >> Wiring Diagrams
April 5, 2026: LEMON Manuals is launched! Read the announcement.

Wiring Diagrams

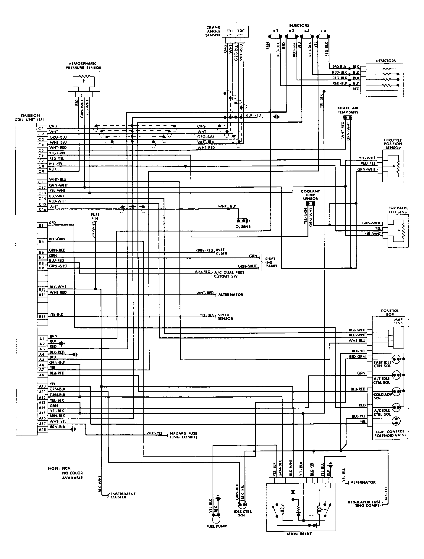
Fig 1: Civic & Civic CRX EFI Wiring Diagram
G61492
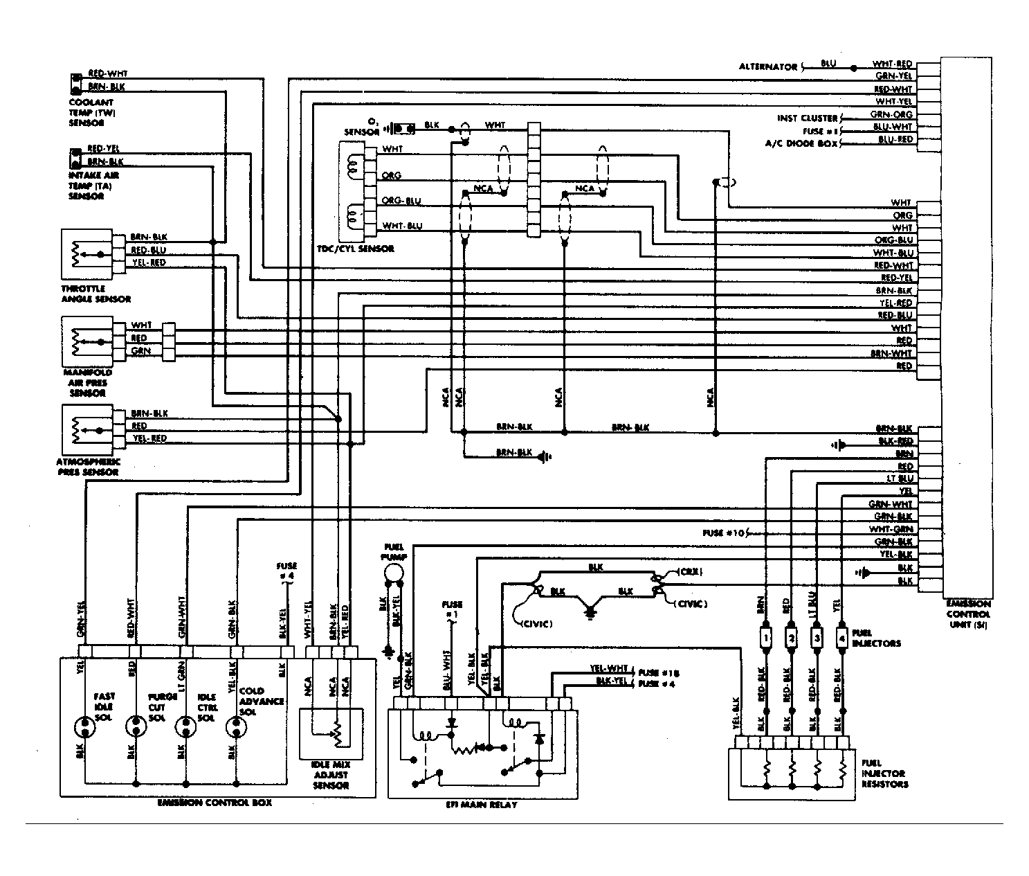
Fig 2: Prelude EFI Wiring Diagram
G61493