LEMON Manuals: Even more car manuals for everyone: 1960-2025
Home >> Honda >> 1994 >> Prelude L4-2.2L SOHC >> Repair and Diagnosis >> Specifications >> Mechanical Specifications >> Engine >> System Specifications >> Torque Specifications
April 5, 2026: LEMON Manuals is launched! Read the announcement.

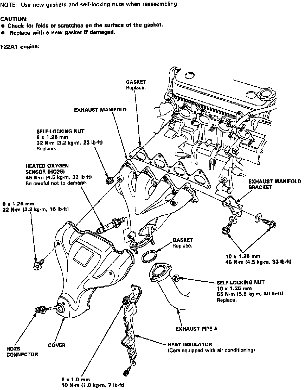
Torque Specifications

Intake:
















Head Bolt Loosening Sequence:











Cam Holder Loosening Sequence:






Cam Holder Torque Sequence:






Head Bolt Torque Sequence:







Torque cylinder head attaching bolts in three steps; first step to 29 ft. lbs., second step to 51 ft. lbs., third step to 72 ft. lbs.



Timing Components:






Lower Engine:
















Connecting Rod:






Main Bolt Loosening Sequence:






Main Bolt Torque Sequence:



























Oil Pan Torque Sequence:






Flywheel (M/T) Torque/Sequence:






Drive Plate (A/T) Torque/Sequence: