LEMON Manuals: Even more car manuals for everyone: 1960-2025
Home >> Honda >> 2000 >> Insight >> Repair and Diagnosis >> Brakes >> Traction Control >> Abs (Anti-Lock Brake System) >> System Description >> Modulator Unit
April 5, 2026: LEMON Manuals is launched! Read the announcement.

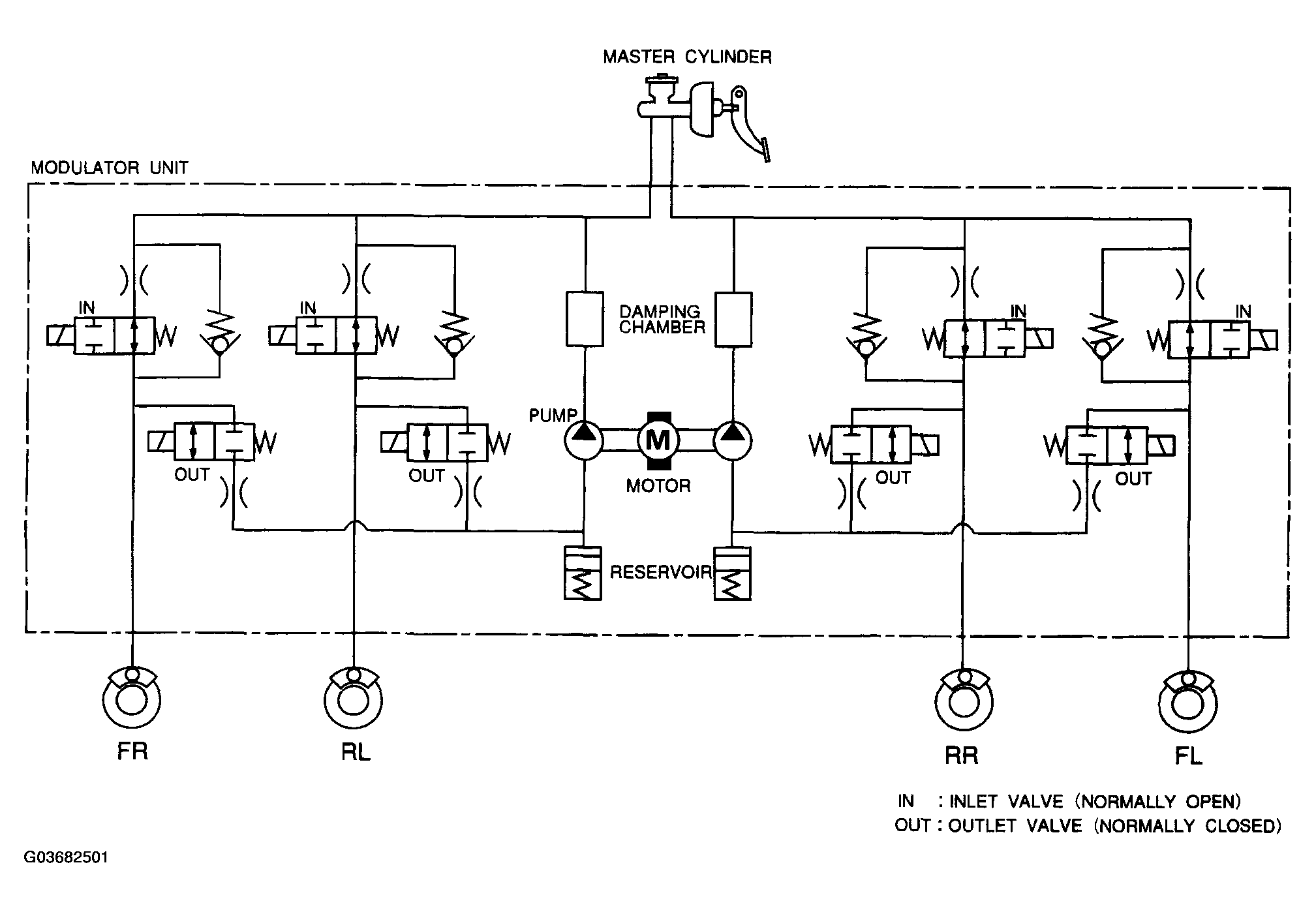
Modulator Unit

The ABS modulator consists of the inlet solenoid valve, outlet solenoid valve, reservoir, pump, pump motor, and the damping chamber. The modulator reduces the caliper fluid pressure directly. It is a circulating-type modulator because the brake fluid circulates through the caliper, reservoir, and the master cylinder. The hydraulic control has three modes: Pressure intensifying, pressure retaining, and pressure reducing. The hydraulic circuit is an independent four-channel type, one channel for each wheel.

Fig 1: Identifying Modulator Unit
G03682501Courtesy of AMERICAN HONDA MOTOR CO., INC.
PRESSURE INTENSIFYING MODE INLET VALVE OPEN, OUTLET VALVE CLOSED

Pressure intensifying mode: Inlet valve open, outlet valve closed:
Master cylinder fluid is pumped out to the caliper.
Pressure retaining mode: Inlet valve closed, outlet valve closed:
Caliper fluid is retained by the inlet valve and outlet valve.
Pressure reducing mode: Inlet valve closed, outlet valve open:
Caliper fluid flows through the outlet valve to the reservoir.
Motor operation mode: When starting the pressure reducing mode, the pump motor is ON.
When stopping ABS operation, the pump motor is OFF.
The caliper fluid is pumped out by the pump, through the damping chamber, to the master cylinder.