LEMON Manuals: Even more car manuals for everyone: 1960-2025
Home >> Honda >> 2000 >> Odyssey EX >> Repair and Diagnosis >> External Pages >> Different car >> Section 73 (Multiplex Integrated Control System) >> System Description >> Body Controller Area Network (B-CAN) and Fast Controller Area Network (F-CAN)
April 5, 2026: LEMON Manuals is launched! Read the announcement.

Body Controller Area Network (B-CAN) and Fast Controller Area Network (F-CAN)

WARNING: This page is about a different car, the 2006 Honda Odyssey and 2005 Honda Odyssey. However, it is still accessible from the selected car via links, so may be relevant.

The body controller area network (B-CAN) and the fast controller area network (F-CAN) share information between multiple electronic control units (ECUs). B-CAN communication moves at a slower speed for convenience related items and for other functions. F-CAN information moves at a faster speed for "real time" functions such as fuel and emissions data. To allow both systems to share information, the gauge control module translates information from B-CAN to F-CAN and from F-CAN to B-CAN.

The ECUs on the B-CAN and the F-CAN transmit and receive information in the form of structured messages that may be received by several different ECUs on the network at one time. These messages are transmitted and received across a communication circuit that consists of a single wire that is shared by all the ECUs on the circuit. Since messages on the F-CAN are typically of higher importance, a second wire is used for communication circuit integrity monitoring. A backup circuit is also added to the headlight and wiper circuits on the B-CAN in the event of a network wire or ECU failure that would effect the operation of the system.

Fig 1: Body Controller Area Network (B-Can) And Fast Controller Area Network (F-Can) System Description
G03706612Courtesy of AMERICAN HONDA MOTOR CO., INC.

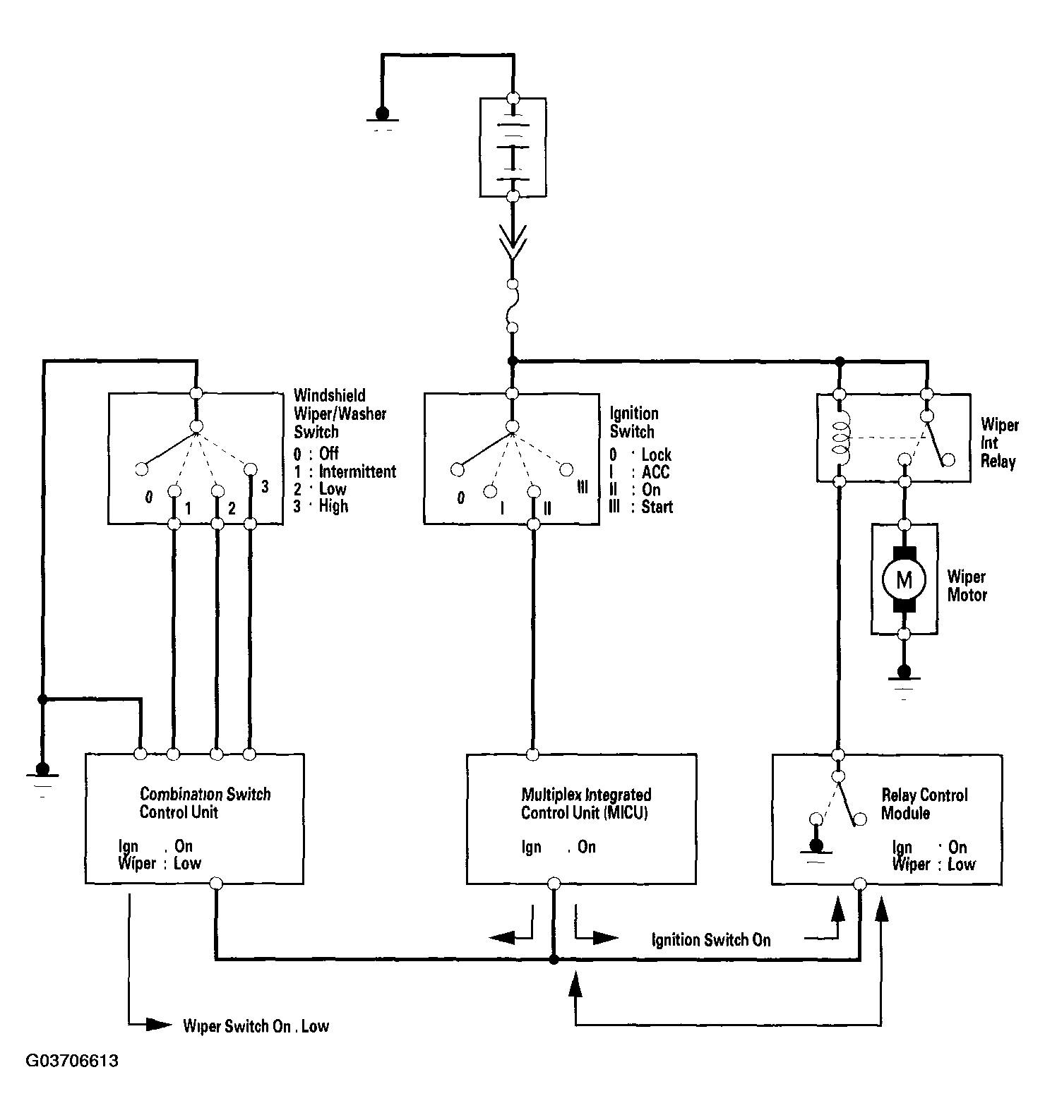
Messages are transmitted by an ECU (that monitors an input) over the communication circuit. ECUs that use the message (information related to that input) are the receivers. For example, the combination switch control unit monitors the wiper switch. When the wiper switch is placed in the low speed position, the combination switch control unit transmits that message on the communication circuit. The relay control module receives the message and turns on the wipers by providing a ground for the relay.

Fig 2: Multiplex Integrated Control System Communication Circuit
G03706613Courtesy of AMERICAN HONDA MOTOR CO., INC.