LEMON Manuals: Even more car manuals for everyone: 1960-2025
Home >> Honda >> 2003 >> Accord L4-2.4L >> Repair and Diagnosis >> Specifications >> Mechanical Specifications >> Engine >> Timing Components >> Timing Cover
April 5, 2026: LEMON Manuals is launched! Read the announcement.

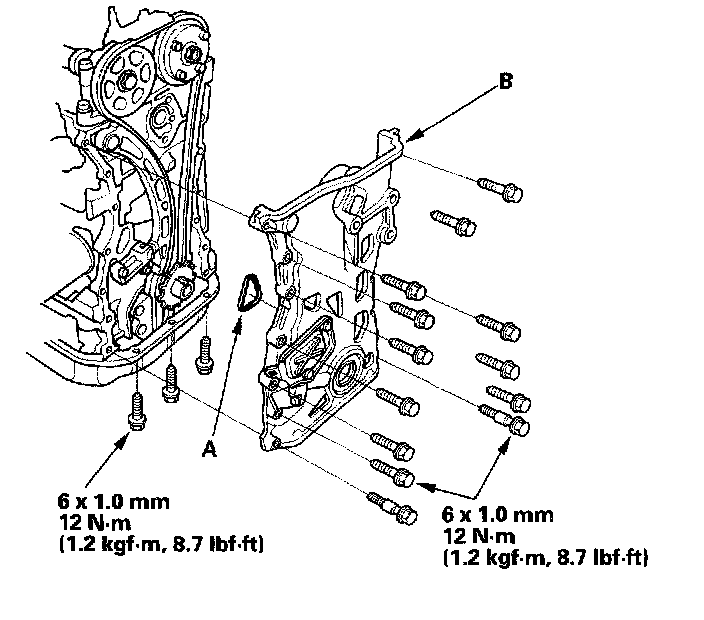
Timing Cover

Specified Torque




Chain case