LEMON Manuals: Even more car manuals for everyone: 1960-2025
Home >> Honda >> 2003 >> Odyssey V6-3.5L >> Repair and Diagnosis >> Specifications >> Mechanical Specifications >> Heating and Air Conditioning >> System Specifications
April 5, 2026: LEMON Manuals is launched! Read the announcement.

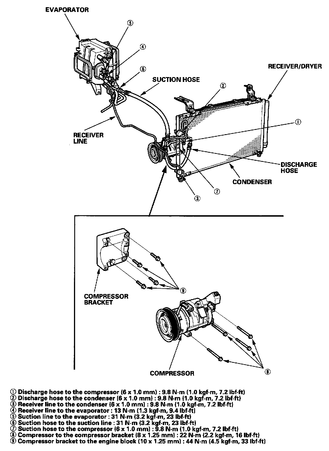
System Specifications