LEMON Manuals: Even more car manuals for everyone: 1960-2025
Home >> Honda >> 2005 >> Odyssey EX >> Repair and Diagnosis >> Engine Performance >> System >> Fuel System & Emissions System >> System Description >> Electronic Control System >> PCM Electrical Connections
April 5, 2026: LEMON Manuals is launched! Read the announcement.

PCM Electrical Connections

Fig 1: Identifying PCM Electrical Connections (1 Of 6)
G03704157Courtesy of AMERICAN HONDA MOTOR CO., INC.
Fig 2: Identifying PCM Electrical Connections (2 Of 6)
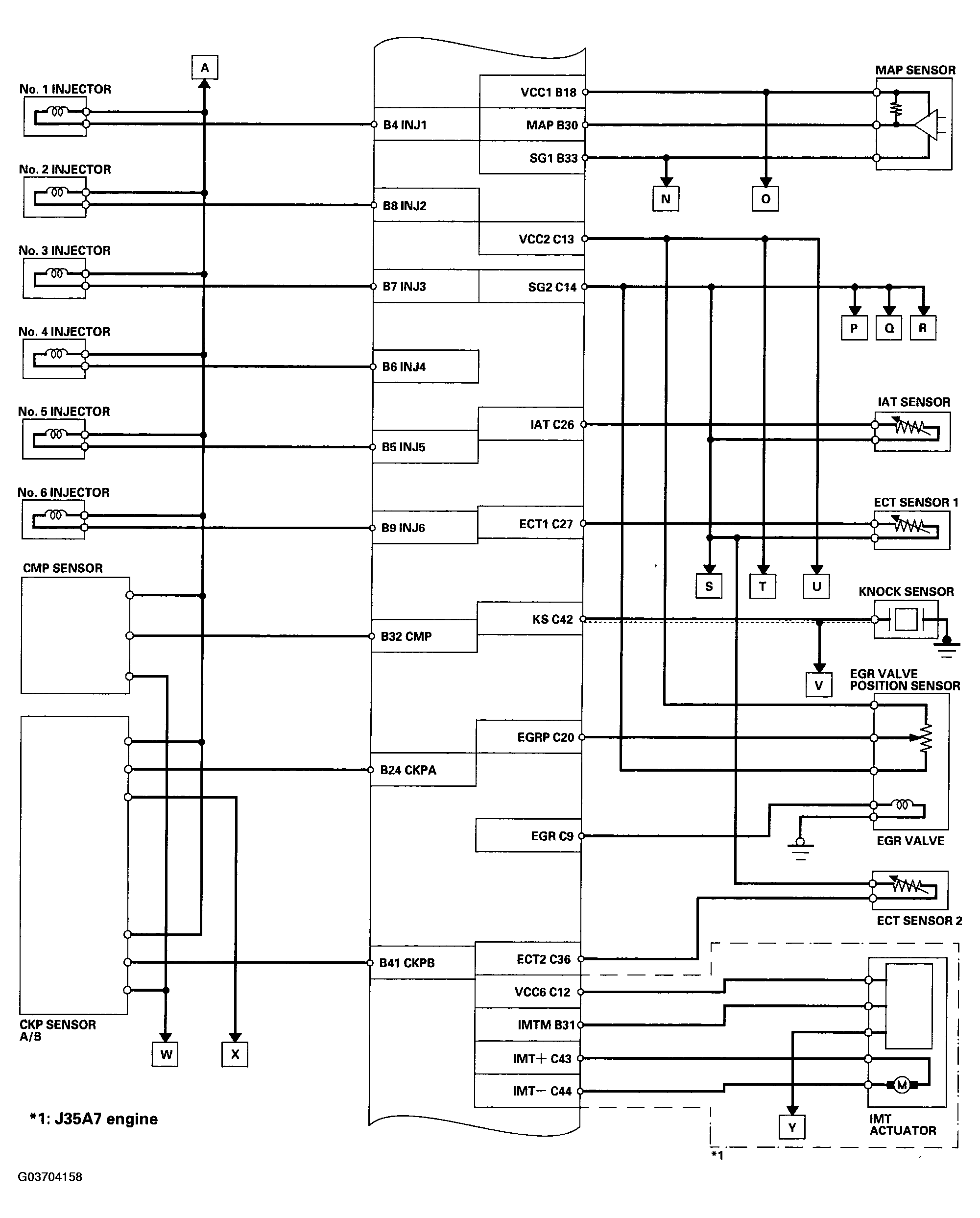
G03704158Courtesy of AMERICAN HONDA MOTOR CO., INC.
Fig 3: Identifying PCM Electrical Connections (3 Of 6)
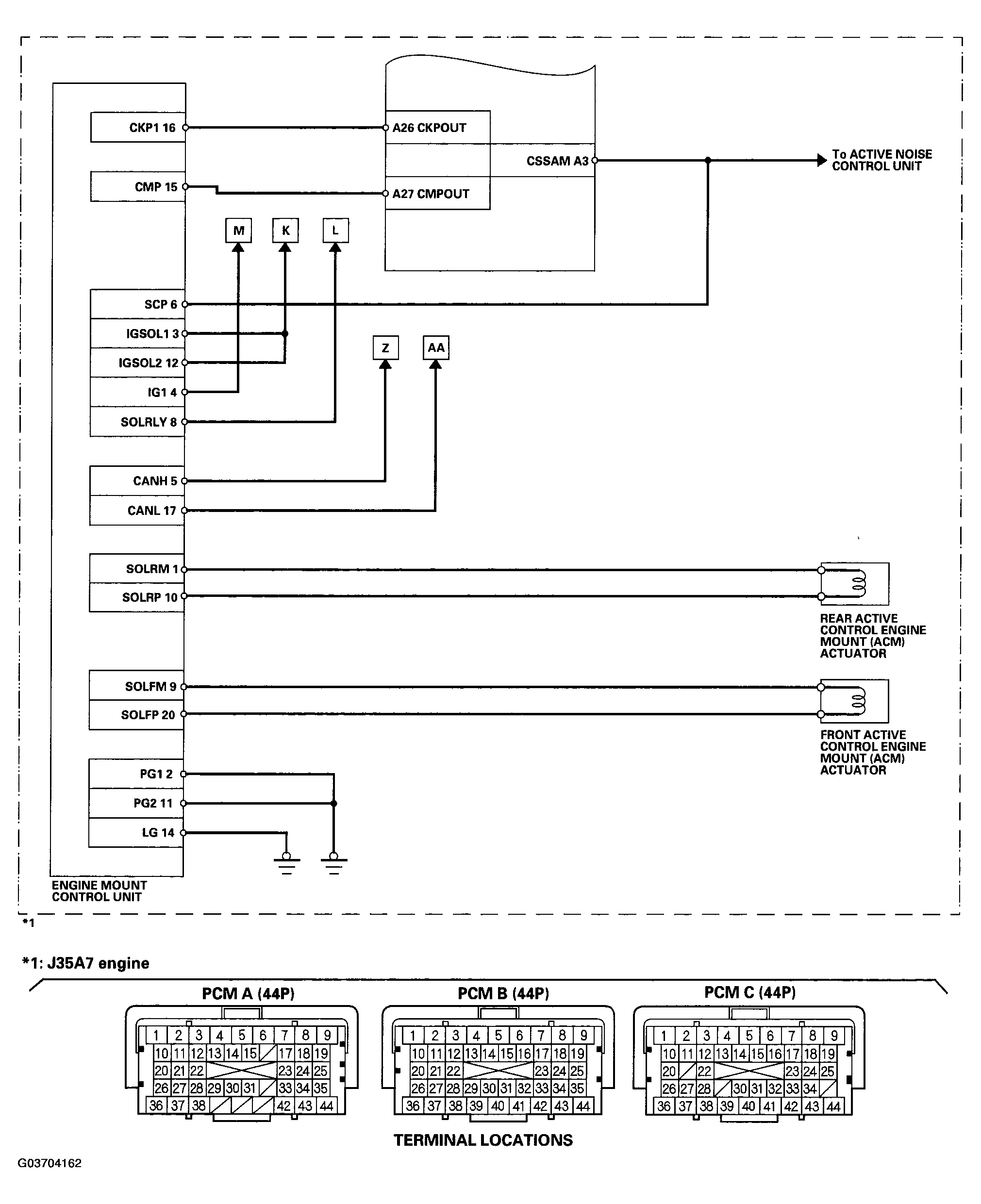
G03704159Courtesy of AMERICAN HONDA MOTOR CO., INC.
Fig 4: Identifying PCM Electrical Connections (4 Of 6)
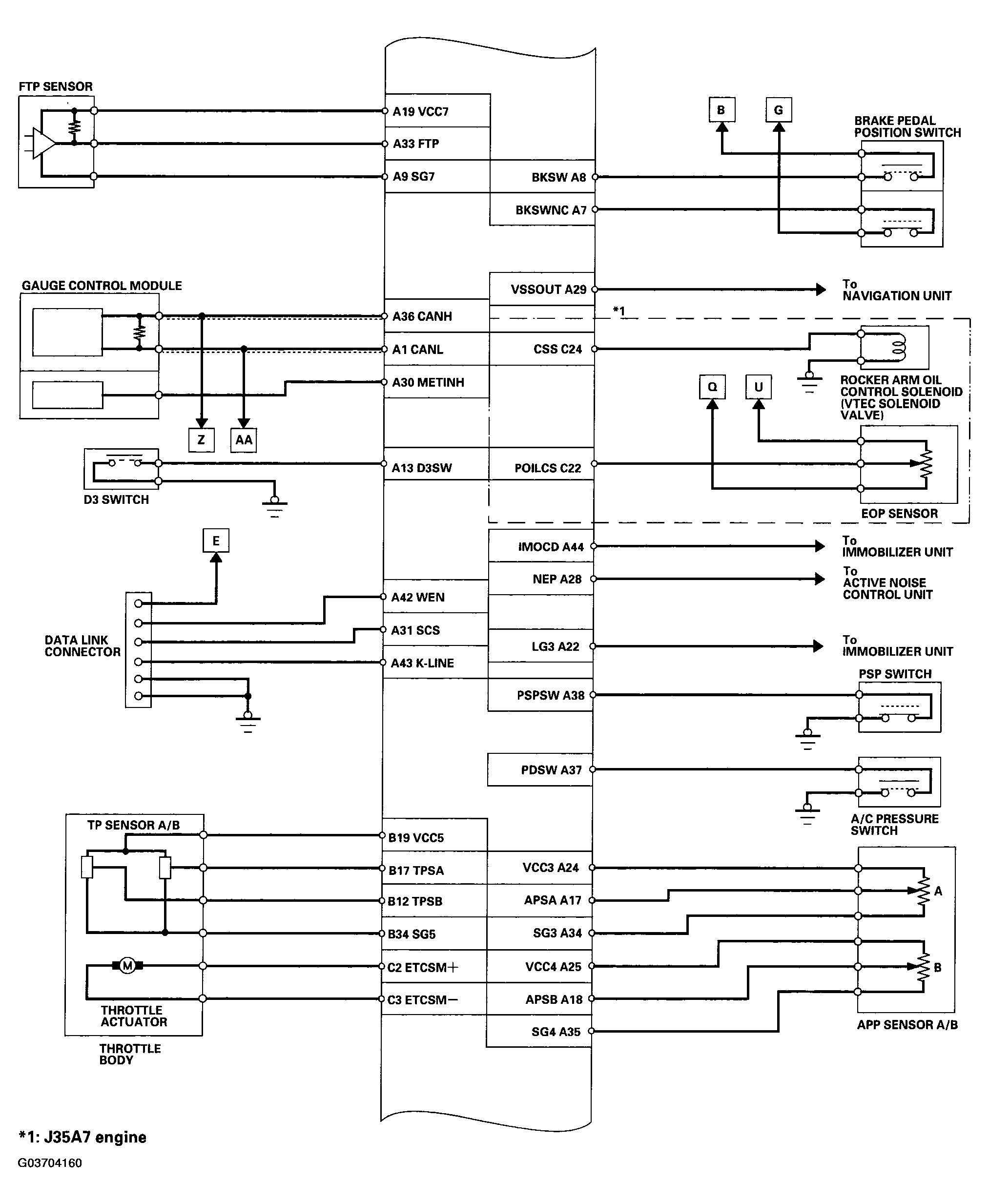
G03704160Courtesy of AMERICAN HONDA MOTOR CO., INC.
Fig 5: Identifying PCM Electrical Connections (5 Of 6)
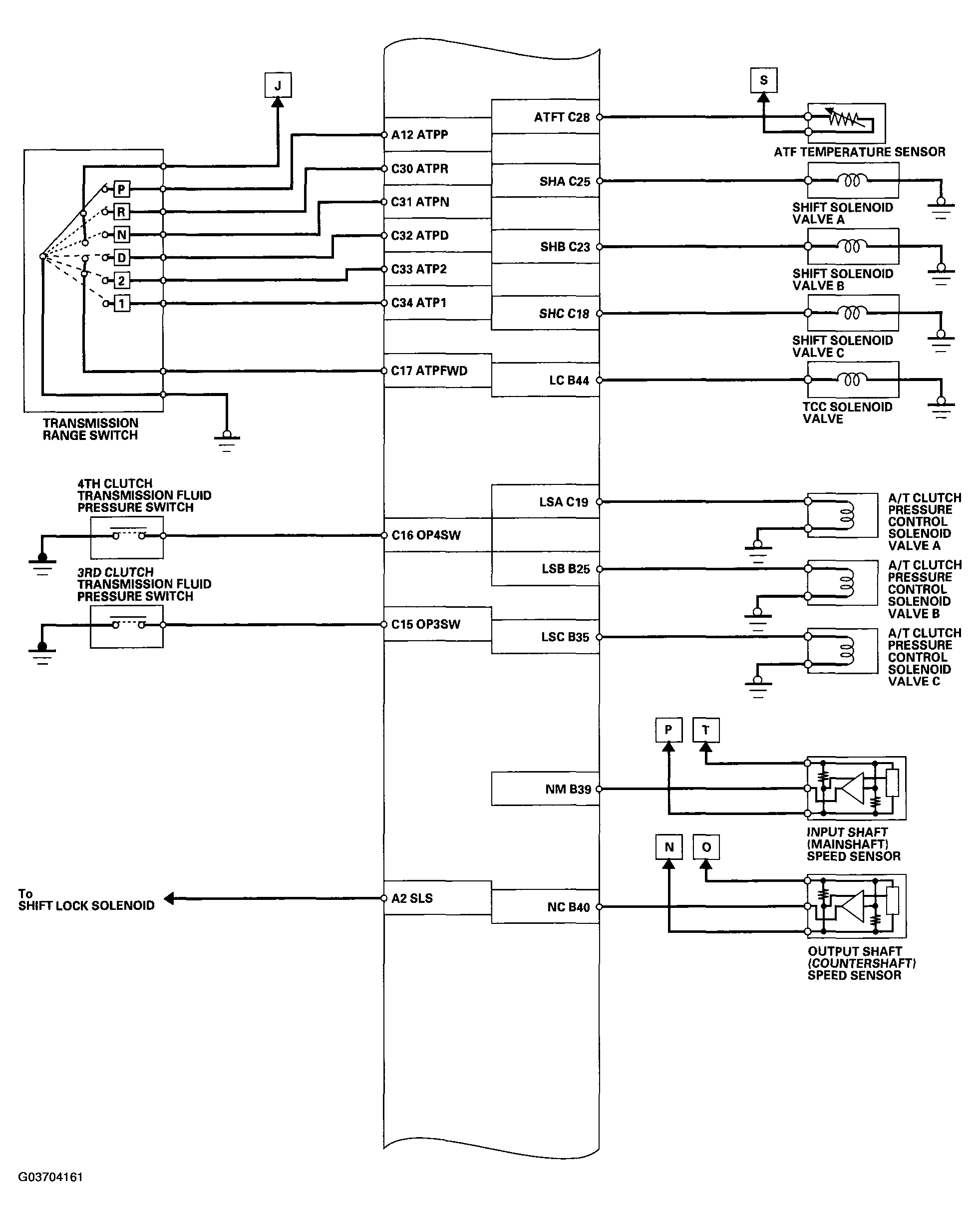
G03704161Courtesy of AMERICAN HONDA MOTOR CO., INC.
Fig 6: Identifying PCM Electrical Connections (6 Of 6)
G03704162Courtesy of AMERICAN HONDA MOTOR CO., INC.