LEMON Manuals: Even more car manuals for everyone: 1960-2025
Home >> Honda >> 2005 >> Odyssey V6-3.5L >> Repair and Diagnosis >> Heating and Air Conditioning >> Control Module HVAC >> Service and Repair >> Air Conditioning >> A/C Control Panel
April 5, 2026: LEMON Manuals is launched! Read the announcement.

A/C Control Panel

A/C Control Panel Removal and Installation

1. Remove the center panel.




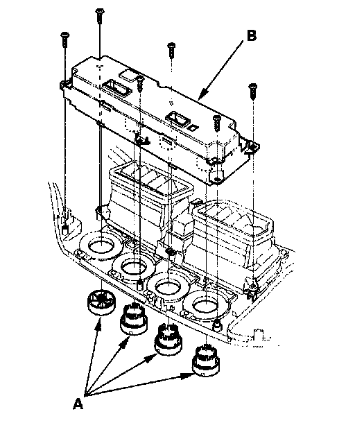
2. Remove the dials (A), the self-tapping screws, and the A/C control panel (B).
3. Install the A/C control panel in the reverse order of removal. After installation, operate the various functions to make sure they work properly.
4. Run the self-diagnosis function to confirm that there are no problems in the system.