LEMON Manuals: Even more car manuals for everyone: 1960-2025
Home >> Honda >> 2005 >> Pilot V6-3.5L >> Repair and Diagnosis >> Relays and Modules >> Relays and Modules - Restraints and Safety Systems >> Air Bag Control Module >> Service and Repair >> Front Passenger's Weight Sensor Unit Replacement
April 5, 2026: LEMON Manuals is launched! Read the announcement.

Front Passenger's Weight Sensor Unit Replacement

Front Passenger's Weight Sensor Unit Replacement

NOTE: Review the seat replacement procedure before performing repair or service.

Removal

1. Make sure you have the anti-theft codes for the radio and the navigation system, then write down the audio presets.
2. Disconnect the battery negative cable, and wait at least 3 minutes before beginning work.
3. Slide the seat all the way to the rear, and remove the front riser cover. If equipped with a navigation system, remove the navigation unit.
4. Disconnect the front passenger's airbag 4P connector.




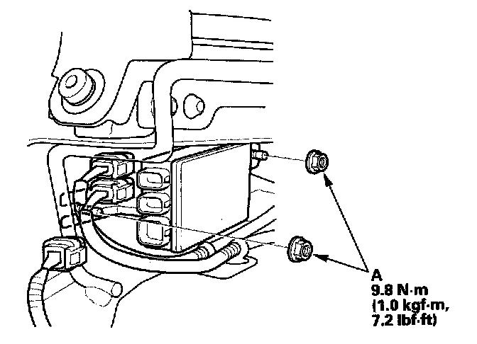
5. Disconnect the connectors from the front passenger's weight sensor unit (A). Remove the mounting nuts (B) and the front passenger's weight sensor unit from the seat riser.

Installation

NOTE: Be sure to install the harness wires so they are not pinched or interfering with other parts.




1. Place the new front passenger's weight sensor unit on the seat riser. Tighten the two mounting nuts (A) and connect the connectors.
2. Install the navigation unit, if equipped and the front riser cover.
3. Reconnect the front passenger's airbag 4P connector.
4. Reconnect the battery negative cable.
5. Calibrate the front passenger's weight sensor unit.
6. After installing the front passenger's weight sensor unit, confirm proper system operation: Turn the ignition switch ON (II); the SRS indicator should come on for about 6 seconds and then go off.
7. Do the power window control unit reset procedure.
8. Enter the anti-theft codes for the radio and the navigation system, then enter the customer's audio presets, and set the clock.