LEMON Manuals: Even more car manuals for everyone: 1960-2025
Home >> Honda >> 2006 >> Element 4WD L4-2.4L >> Repair and Diagnosis >> Powertrain Management >> Computers and Control Systems >> Engine Control Module >> Diagrams >> Diagram Information and Instructions >> Power Distribution Schematics
April 5, 2026: LEMON Manuals is launched! Read the announcement.

Power Distribution Schematics




Power Distribution Schematics
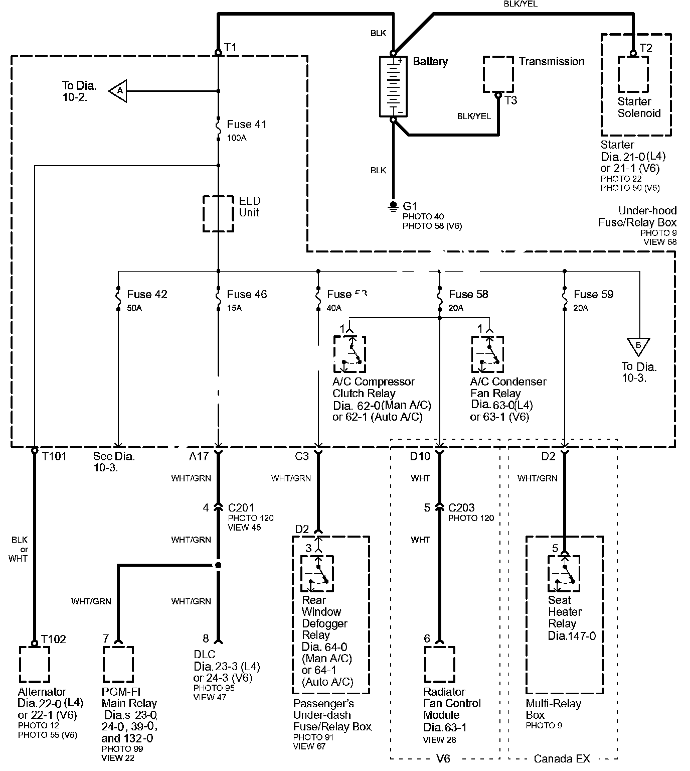
Power Distribution schematics show how power is supplied from the positive battery terminal to various circuits in the vehicle. Refer to the Power Distribution Diagram Set to get a more detailed understanding of how power is supplied to the circuit you're working on. Individual circuit schematics begin with a fuse. So if Power Distribution shows that an inoperative circuit and another circuit share a fuse, check a component in the other circuit. If it works, you know the fuse is good and power is available to the inoperative circuit.