LEMON Manuals: Even more car manuals for everyone: 1960-2025
Home >> Honda >> 2006 >> Element EX, 2.4 YH2, Standard >> Repair and Diagnosis >> Engine Performance >> System >> Advanced Diagnostics >> DTC P1735: Problem in Shift Control System: >> Notes
April 5, 2026: LEMON Manuals is launched! Read the announcement.

DTC P1735: Problem in Shift Control System:: Notes

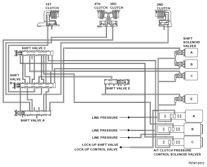
Fig 1: Shift Control System Diagram
G04822093

Hydraulic pressure supply to the clutch by shift solenoid valve output (D position)

Fig 2: Hydraulic Pressure Supply To Clutch By Shift Solenoid Valve Output Position Table
G04822173