LEMON Manuals: Even more car manuals for everyone: 1960-2025
Home >> Honda >> 2007 >> Element SC, Standard >> Repair and Diagnosis >> External Pages >> Different car >> Section 16 (Climate Control System (V6)) >> Circuit Diagram >> With Navigation System ('10 Model)
April 5, 2026: LEMON Manuals is launched! Read the announcement.

With Navigation System ('10 Model)

WARNING: This page does not describe the selected car, but rather 6 other vehicles, including the 2015 Honda Crosstour, 2014 Honda Crosstour, 2013 Honda Crosstour, 2012 Honda Crosstour, and 2011 Honda Accord Crosstour. However, it is still accessible from the selected car via links, so may be relevant.
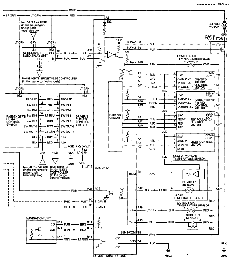
Fig 1: Climate Control Circuit Diagram - With Navigation System (1 Of 2)
G06424013Courtesy of AMERICAN HONDA MOTOR CO., INC.
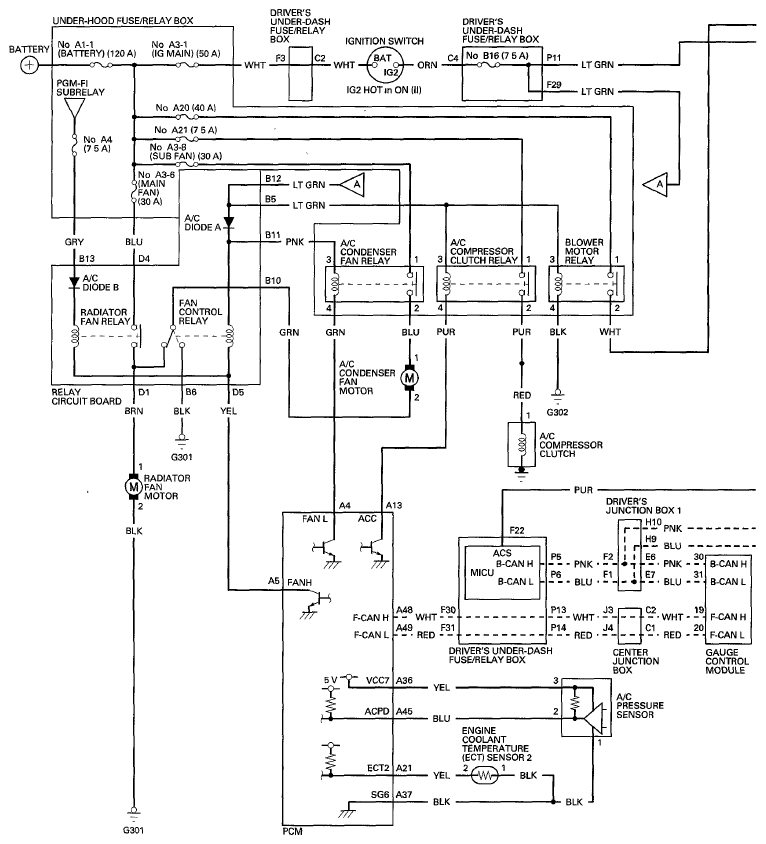
Fig 2: Climate Control Circuit Diagram - With Navigation System (2 Of 2)
G06424014Courtesy of AMERICAN HONDA MOTOR CO., INC.