LEMON Manuals: Even more car manuals for everyone: 1960-2025
Home >> Honda >> 2007 >> Element SC, Standard >> Repair and Diagnosis >> External Pages >> Different car >> Section 16 (Climate Control System (V6)) >> Climate Control Switch Removal/Installation >> With Navigation System
April 5, 2026: LEMON Manuals is launched! Read the announcement.

With Navigation System

WARNING: This page does not describe the selected car, but rather 6 other vehicles, including the 2015 Honda Crosstour, 2014 Honda Crosstour, 2013 Honda Crosstour, 2012 Honda Crosstour, and 2011 Honda Accord Crosstour. However, it is still accessible from the selected car via links, so may be relevant.
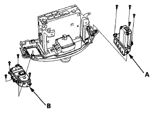
  1. Remove the audio unit (see AUDIO UNIT REMOVAL/INSTALLATION ).
  2. Remove the self-tapping screws and the driver's climate control switch (A), and the passenger's climate control switch (B).
    Fig 1: Locating Driver's Climate Control Switch And Passenger's Climate Control Switch
    G06424160Courtesy of AMERICAN HONDA MOTOR CO., INC.
  3. Install the switches in the reverse order of removal.
  4. Run the self-diagnostic function to confirm that there are no problems in the system (see HOW TO USE THE SELF-DIAGNOSTIC FUNCTION WITHOUT THE HDS  ).