LEMON Manuals: Even more car manuals for everyone: 1960-2025
Home >> Honda >> 2007 >> Odyssey EX >> Repair and Diagnosis >> Engine Performance >> System >> PGM-FI System >> MAP Sensor Replacement
April 5, 2026: LEMON Manuals is launched! Read the announcement.

MAP Sensor Replacement

  1. Remove the engine cover (see step 7 under ENGINE REMOVAL ).
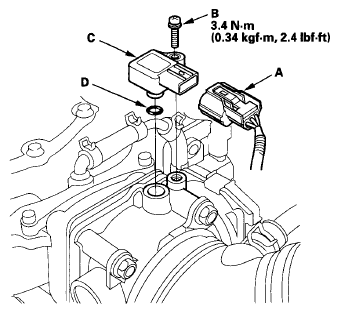
  2. Disconnect the MAP sensor 3P connector (A).
    Fig 1: Identifying MAP Sensor 3P Connector, MAP Sensor And O-Ring
    G06276794Courtesy of AMERICAN HONDA MOTOR CO., INC.
  3. Remove the screw (B).
  4. Remove the MAP sensor (C).
  5. Install the parts in the reverse order of removal with a new O-ring (D).