LEMON Manuals: Even more car manuals for everyone: 1960-2025
Home >> Honda >> 2007 >> Ridgeline RTL >> Repair and Diagnosis >> External Pages >> Different car >> Section 71 (Navigation System) >> Circuit Diagram >> Notes
April 5, 2026: LEMON Manuals is launched! Read the announcement.

Circuit Diagram: Notes

WARNING: This page is about a different car, the 2008 Honda Pilot, 2007 Honda Pilot, and 2006 Honda Pilot. However, it is still accessible from the selected car via links, so may be relevant.
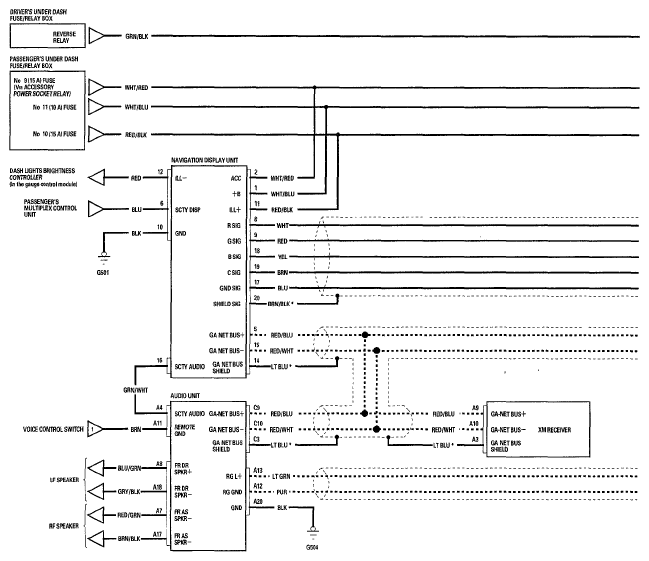
Fig 1: Navigation System - Circuit Diagram (1 Of 2)
G05594874Courtesy of AMERICAN HONDA MOTOR CO., INC.
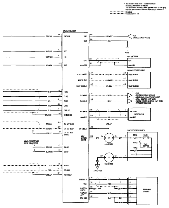
Fig 2: Navigation System - Circuit Diagram (2 Of 2)
G05594875Courtesy of AMERICAN HONDA MOTOR CO., INC.