LEMON Manuals: Even more car manuals for everyone: 1960-2025
Home >> Honda >> 2007 >> Ridgeline RTX >> Repair and Diagnosis >> Body & Frame >> Windows >> Power Windows >> Circuit Diagram >> Back Power Window
April 5, 2026: LEMON Manuals is launched! Read the announcement.

Back Power Window

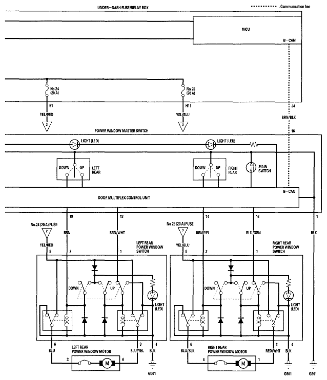
Fig 1: Back Power Window Circuit Diagram (1 Of 3)
G05593045Courtesy of AMERICAN HONDA MOTOR CO., INC.
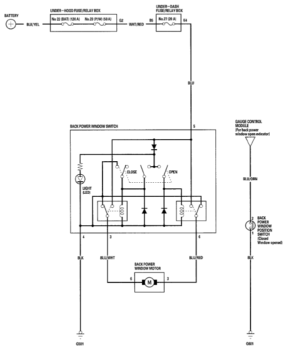
Fig 2: Back Power Window Circuit Diagram (2 Of 3)
G05593046Courtesy of AMERICAN HONDA MOTOR CO., INC.
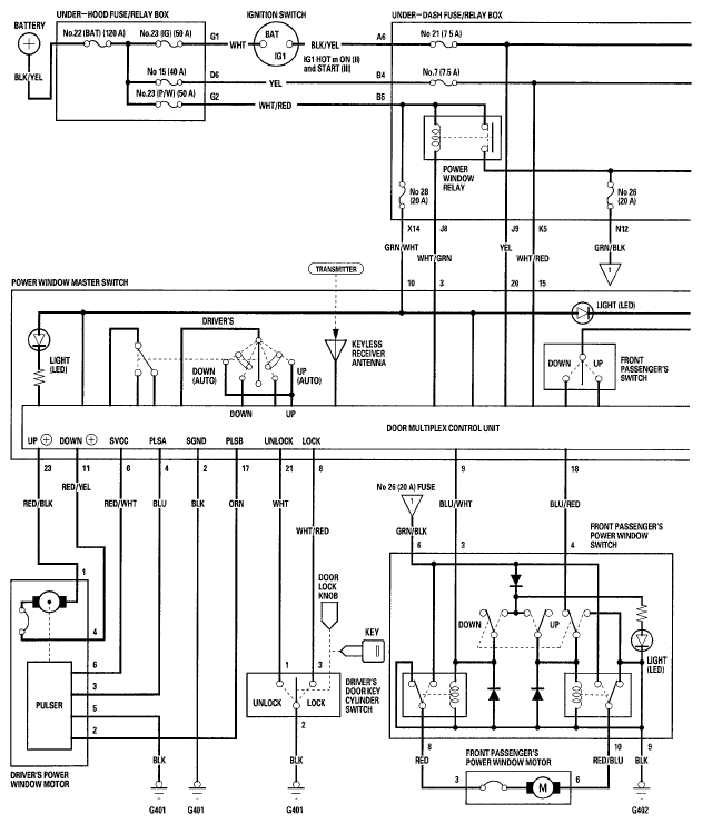
Fig 3: Back Power Window Circuit Diagram (3 Of 3)
G05593047Courtesy of AMERICAN HONDA MOTOR CO., INC.