LEMON Manuals: Even more car manuals for everyone: 1960-2025
Home >> Honda >> 2007 >> S2000 L4-2.2L >> Repair and Diagnosis >> Diagrams >> Exploded Views >> Cylinder Block Assembly
April 5, 2026: LEMON Manuals is launched! Read the announcement.

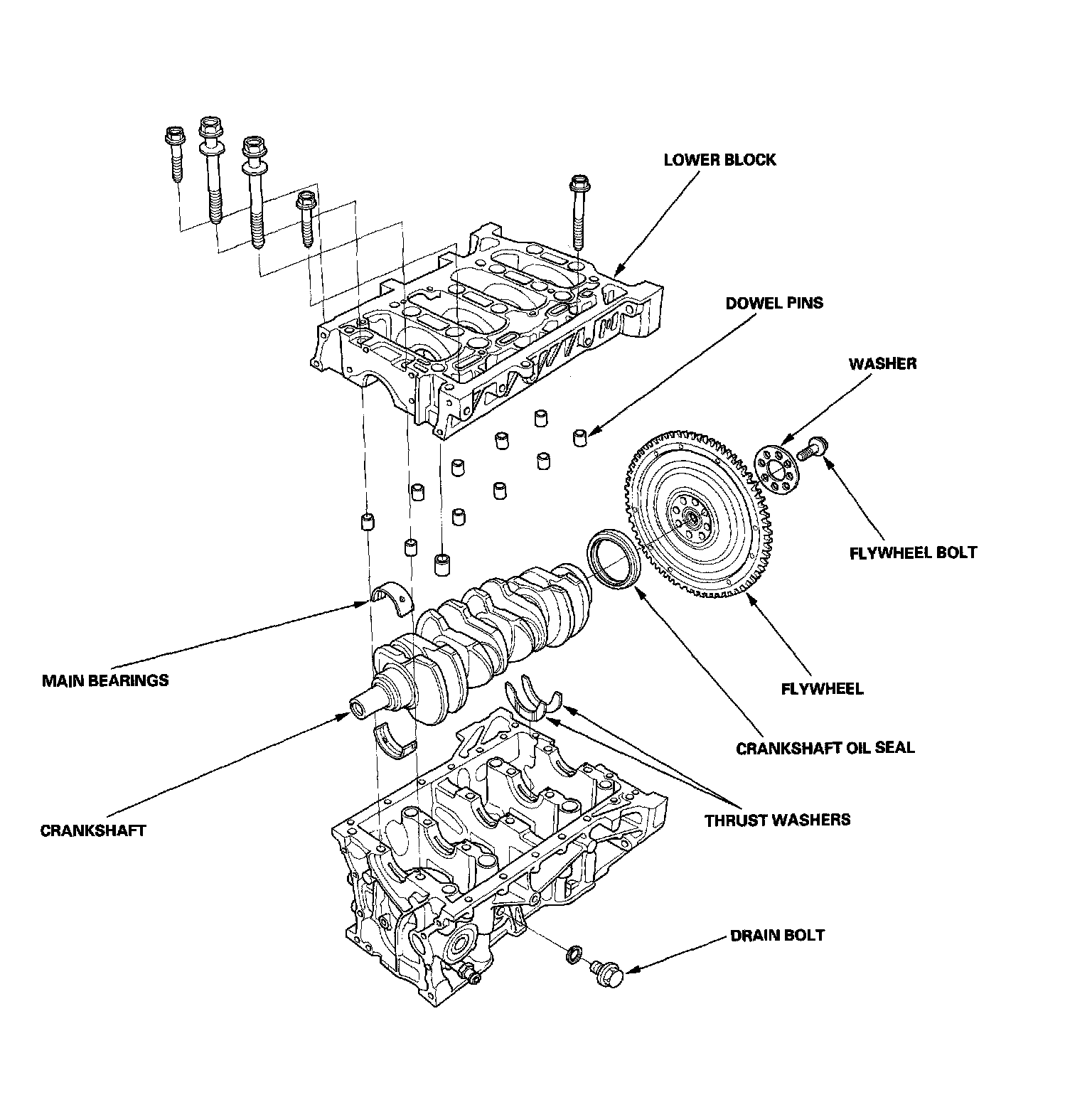
Cylinder Block Assembly

Engine Block Component Location Index:



Engine Block Component Location Index: