LEMON Manuals: Even more car manuals for everyone: 1960-2025
Home >> Honda >> 2007 >> S2000 L4-2.2L >> Repair and Diagnosis >> Powertrain Management >> Computers and Control Systems >> Relays and Modules - Computers and Control Systems >> Electronic Throttle Control Module >> Service and Repair
April 5, 2026: LEMON Manuals is launched! Read the announcement.

Electronic Throttle Control Module: Service and Repair

Throttle Actuator Control Module Replacement

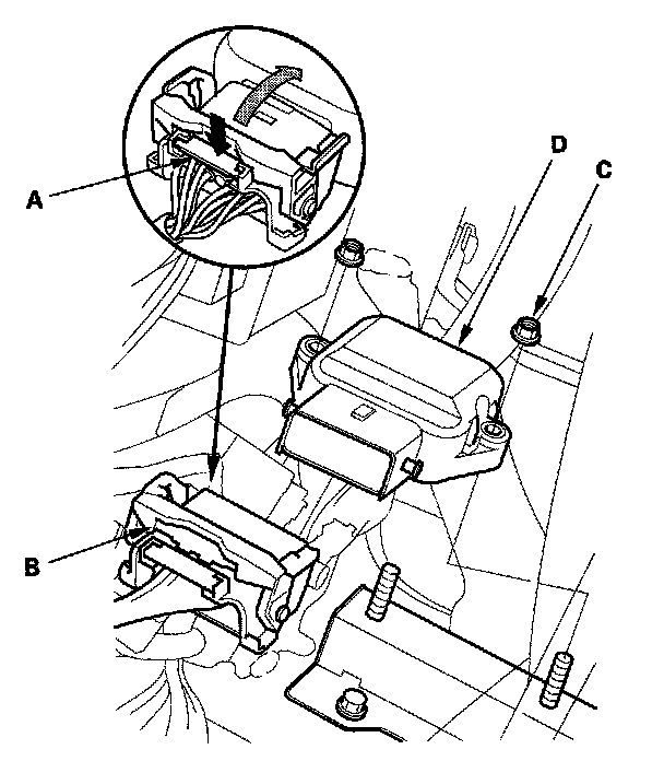
1. Remove the passenger's dashboard lower cover.




2. Push the tab (A), and disconnect the throttle actuator control module 16P connector (B).
3. Remove the nuts (C) and the throttle actuator control module (D).
4. Install the parts in the reverse order of removal.