LEMON Manuals: Even more car manuals for everyone: 1960-2025
Home >> Honda >> 2007 >> S2000 L4-2.2L >> Repair and Diagnosis >> Powertrain Management >> Computers and Control Systems >> Variable Valve Timing Solenoid >> Service and Repair
April 5, 2026: LEMON Manuals is launched! Read the announcement.

Variable Valve Timing Solenoid: Service and Repair

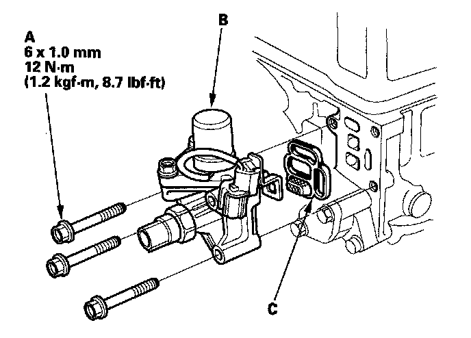
Rocker Arm Oil Control Valve (VTEC Solenoid Valve) Removal/ Installation

1. Disconnect the rocker arm oil control valve (VTEC solenoid valve) 1P connector and rocker arm oil pressure switch (VTEC oil pressure switch) 2P connector.




2. Remove the bolts (A).
3. Remove the rocker arm oil control valve (VTEC solenoid valve) (B).
4. Install the parts in the reverse order of removal with a new filter (C).