LEMON Manuals: Even more car manuals for everyone: 1960-2025
Home >> Honda >> 2007 >> S2000 L4-2.2L >> Repair and Diagnosis >> Powertrain Management >> Computers and Control Systems >> Variable Valve Timing Solenoid >> Testing and Inspection
April 5, 2026: LEMON Manuals is launched! Read the announcement.

Variable Valve Timing Solenoid: Testing and Inspection

Rocker Arm Oil Control Solenoid (VTEC Solenoid Valve) Inspection

1. Disconnect the IP connector from the rocker arm oil control solenoid (VTEC solenoid valve.)




2. Measure resistance between the terminal and body ground.




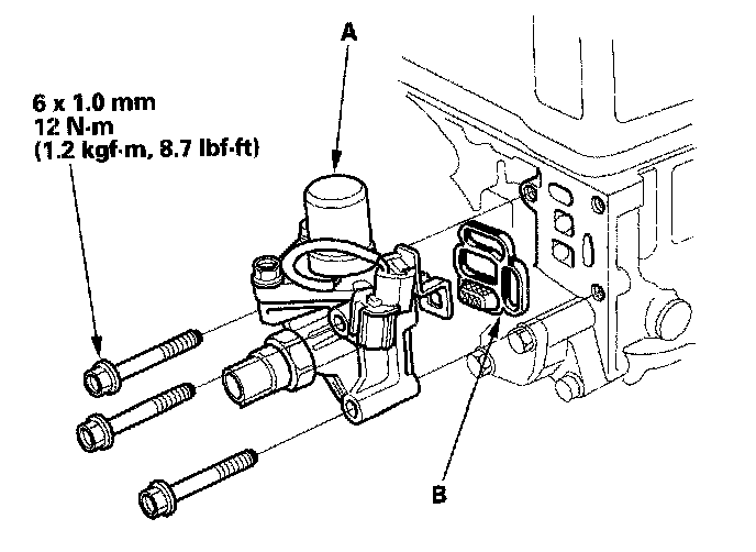
3. If the resistance is within specifications, remove the rocker arm oil control valve (VTEC solenoid valve) (A) from the cylinder head, and check the rocker arm oil control valve (VTEC solenoid valve) filter (B) for clogging. If there is clogging, replace the engine oil filter, the rocker arm oil control valve (VTEC solenoid Valve) filter, and the engine oil.

If the filter is not clogged, replace the rocker arm oil control valve (VTEC solenoid Valve).