LEMON Manuals: Even more car manuals for everyone: 1960-2025
Home >> Honda >> 2007 >> S2000 >> Repair and Diagnosis >> Engine Performance >> Fuel Delivery >> Fuel And Emissions Systems >> System Description >> Vacuum Distribution
April 5, 2026: LEMON Manuals is launched! Read the announcement.

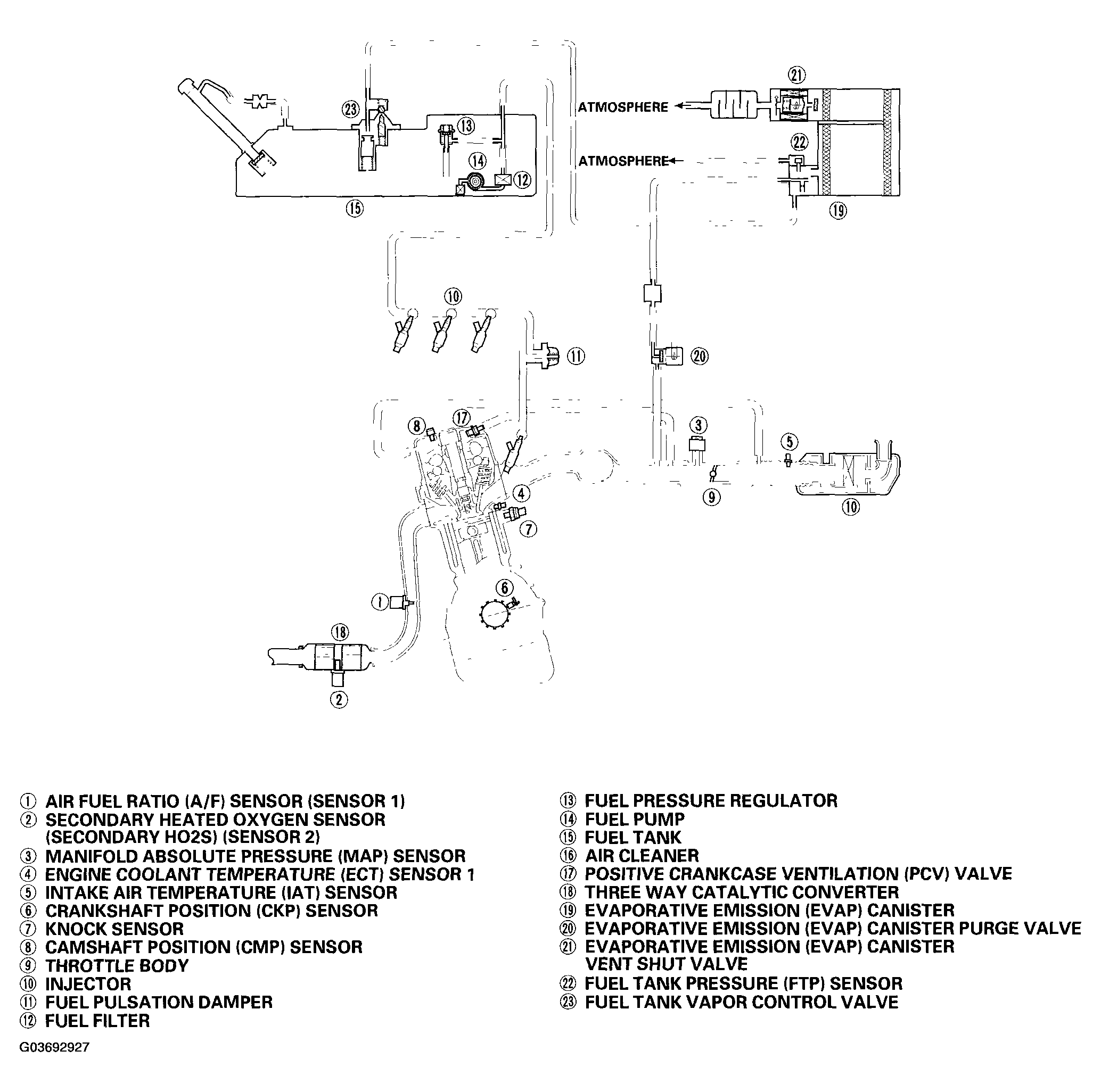
Vacuum Distribution

Fig 1: Identifying Vacuum Distribution Flow
G03692927Courtesy of AMERICAN HONDA MOTOR CO., INC.