LEMON Manuals: Even more car manuals for everyone: 1960-2025
Home >> Honda >> 2008 >> Odyssey LX >> Repair and Diagnosis >> External Pages >> Different car >> Section 65 (Driver Position Memory System (DPMS)) >> Circuit Diagram - Power Tilt/Telescopic Steering
April 5, 2026: LEMON Manuals is launched! Read the announcement.

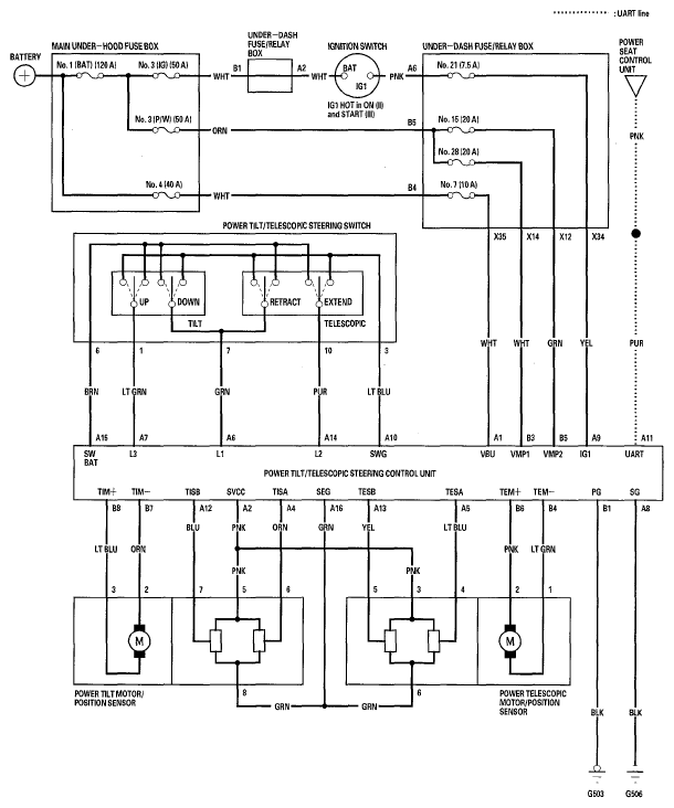
Circuit Diagram - Power Tilt/Telescopic Steering

WARNING: This page is about a different car, the 2009 Acura MDX, 2008 Acura MDX, and 2007 Acura MDX. However, it is still accessible from the selected car via links, so may be relevant.
Fig 1: Circuit Diagram - Power Tilt/Telescopic Steering
G05488227Courtesy of AMERICAN HONDA MOTOR CO., INC.