LEMON Manuals: Even more car manuals for everyone: 1960-2025
Home >> Honda >> 2008 >> S2000 Base >> Repair and Diagnosis >> Engine Performance >> System >> EVAP System >> EVAP Canister Replacement
April 5, 2026: LEMON Manuals is launched! Read the announcement.

EVAP Canister Replacement

  1. Raise the vehicle on a lift.
  2. Remove the EVAP canister cover (A).
    Fig 1: Identifying EVAP Canister Cover
    G03693341Courtesy of AMERICAN HONDA MOTOR CO., INC.
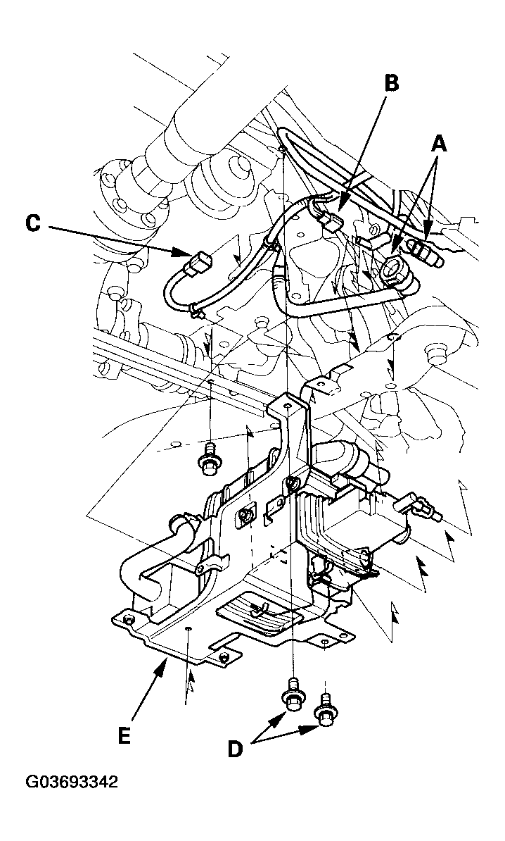
  3. Remove the hoses (A), the FTP sensor 3P connector (B), and the EVAP canister vent shut valve 2P connector (C).
    Fig 2: Identifying Hoses, FTP Sensor 3P Connector & EVAP Canister Vent Shut Valve 2P Connector
    G03693342Courtesy of AMERICAN HONDA MOTOR CO., INC.
  4. Remove the bolts (D).
  5. Remove the EVAP canister assembly (E).
  6. Remove the canister filter (A).
    Fig 3: Identifying Canister Filter
    G03693343Courtesy of AMERICAN HONDA MOTOR CO., INC.
  7. Remove the EVAP canister bracket (A).
    Fig 4: Identifying EVAP Canister Bracket
    G03693344Courtesy of AMERICAN HONDA MOTOR CO., INC.
  8. Install the canister in the reverse order of removal.