LEMON Manuals: Even more car manuals for everyone: 1960-2025
Home >> Honda >> 2009 >> Element SC, Automatic >> Repair and Diagnosis (Single Page) >> Engine Performance >> System >> Advanced Diagnostics >> DTC P0369: Camshaft Position (CMP) Sensor B Circuit Intermittent Interruption >> Notes
April 5, 2026: LEMON Manuals is launched! Read the announcement.

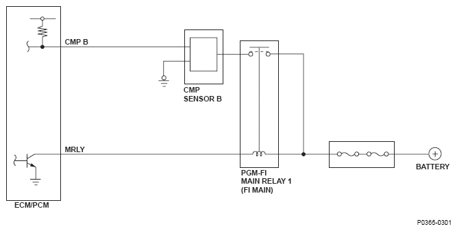
DTC P0369: Camshaft Position (CMP) Sensor B Circuit Intermittent Interruption: Notes

Fig 1: Camshaft Position Sensor B Circuit Diagram
G04816789Courtesy of AMERICAN HONDA MOTOR CO., INC.