LEMON Manuals: Even more car manuals for everyone: 1960-2025
Home >> Honda >> 2009 >> Pilot EX, 3.5 4 >> Repair and Diagnosis >> Body & Frame >> Seats >> Driver Position Memory System (DPMS) >> Circuit Diagram - Power Mirror
April 5, 2026: LEMON Manuals is launched! Read the announcement.

Circuit Diagram - Power Mirror

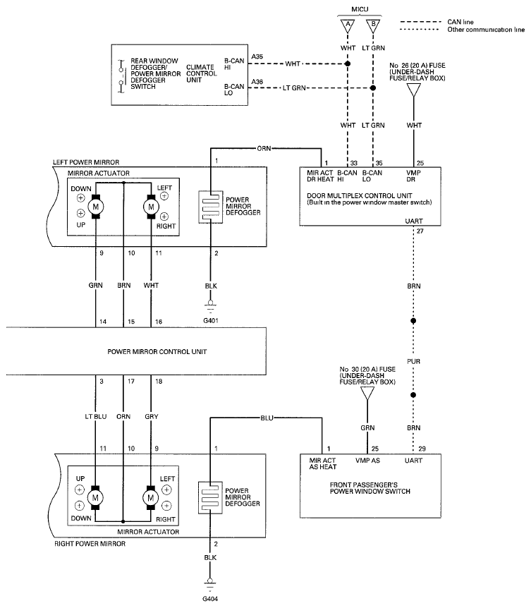
Fig 1: Identifying Power Mirror - Circuit Diagram (1 Of 2)
G05966628Courtesy of AMERICAN HONDA MOTOR CO., INC.
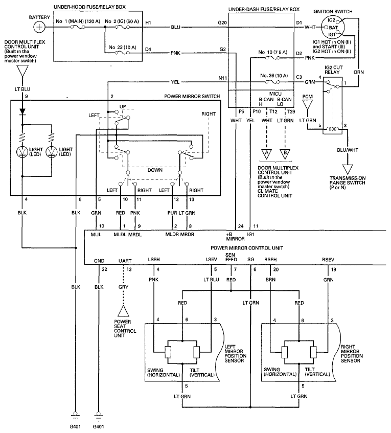
Fig 2: Identifying Power Mirror - Circuit Diagram (2 Of 2)
G05966629Courtesy of AMERICAN HONDA MOTOR CO., INC.