LEMON Manuals: Even more car manuals for everyone: 1960-2025
Home >> Honda >> 2011 >> Element EX, 2.4 YH1 >> Repair and Diagnosis >> External Pages >> Different car >> Section 160 (Driver Position Memory System (DPMS)) >> Circuit Diagram - Driver's Power Seat
April 5, 2026: LEMON Manuals is launched! Read the announcement.

Circuit Diagram - Driver's Power Seat

WARNING: This page does not describe the selected car, but rather 7 other vehicles, including the 2017 Honda Odyssey, 2016 Honda Odyssey, 2015 Honda Odyssey, 2014 Honda Odyssey, and 2013 Honda Odyssey. However, it is still accessible from the selected car via links, so may be relevant.
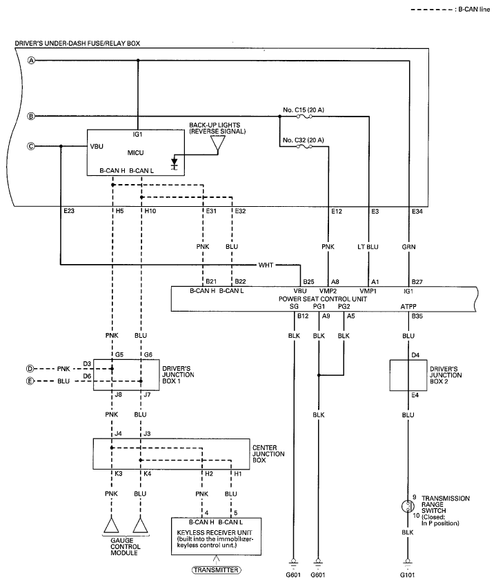
Fig 1: Driver's Power Seat Circuit Diagram (1 Of 4)
G06970141Courtesy of AMERICAN HONDA MOTOR CO., INC.
Fig 2: Driver's Power Seat Circuit Diagram (2 Of 4)
G06970142Courtesy of AMERICAN HONDA MOTOR CO., INC.
Fig 3: Driver's Power Seat Circuit Diagram (3 Of 4)
G06970143Courtesy of AMERICAN HONDA MOTOR CO., INC.
Fig 4: Driver's Power Seat Circuit Diagram (4 Of 4)
G06970144Courtesy of AMERICAN HONDA MOTOR CO., INC.