LEMON Manuals: Even more car manuals for everyone: 1960-2025
Home >> Honda >> 2011 >> Insight Base >> Repair and Diagnosis >> Engine Performance >> System >> Advanced Diagnostics >> DTC P2118: Throttle Actuator Current Range/Performance Problem >> Notes
April 5, 2026: LEMON Manuals is launched! Read the announcement.

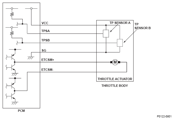
DTC P2118: Throttle Actuator Current Range/Performance Problem: Notes

Fig 1: Throttle Position Sensor Circuit Diagram
G05613341Courtesy of AMERICAN HONDA MOTOR CO., INC.