LEMON Manuals: Even more car manuals for everyone: 1960-2025
Home >> Honda >> 2011 >> Insight LX >> Repair and Diagnosis >> Engine Performance >> System >> Intake Air System >> Throttle Body Removal/Installation
April 5, 2026: LEMON Manuals is launched! Read the announcement.

Throttle Body Removal/Installation

CAUTION: Do not insert your fingers into the installed throttle body when you turn the ignition switch to ON (II) or while the ignition switch is in ON (II). If you do, you will seriously injure your fingers if the throttle valve is activated.
NOTE: If you are replacing or cleaning the throttle body, start at step 1. If you are removing the throttle body, start at step 4.
  1. Connect the HDS to the DLC while the engine is stopped.
  2. Select the INSPECTION MENU on the HDS.
  3. Do the TP POSITION CHECK in the ETCS TEST.
  4. Turn the ignition switch to LOCK (0).
  5. Remove the air cleaner (see AIR CLEANER REMOVAL/INSTALLATION  ).
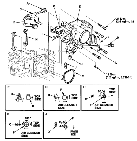
  6. Disconnect the MAP sensor 3P connector (A) and the EVAP canister purge valve 2P connector (B), then remove the harness holder (C) from the EVAP canister purge guard (D)
    Fig 1: MAP Sensor 3P Connector, EVAP Canister Purge Valve 2P Connector With Torque Specifications
    G06429572Courtesy of AMERICAN HONDA MOTOR CO., INC.
  7. Disconnect the throttle body connector (E), then disconnect the EVAP canister purge valve hose (F).
  8. Disconnect the purge hoses (G, H).
  9. Disconnect and plug the water bypass hoses (I, J).
  10. Remove the throttle body (K).
  11. Remove the purge pipe (L).
  12. Install the parts in the reverse order of removal with a new gasket (M), then refill the radiator with engine coolant (see COOLANT CHECK ).
    NOTE:
    • If you replace or clean the throttle body, go to step 13.
    • If you did not replace or clean the throttle body, this procedure is complete.
    • Be careful not to drop or damage the plates (N).
    • Align the marks (O) on the hoses and the throttle body, then insert the hoses. Make sure the clamp (P) is positioned as shown.
    • Align the mark (Q) on the hoses as shown, then insert the hoses. Make sure the clamps (R) are positioned as shown.
  13. Connect the HDS to the data link connector (DLC) (A) located under the driver's side of the dashboard.
    Fig 2: Identifying Data Link Connector
    G06429573Courtesy of AMERICAN HONDA MOTOR CO., INC.
  14. Turn the ignition switch to ON (II).
  15. Reset the PCM with the HDS.
  16. Select the ETCS TEST in the INSPECTION MENU with the HDS.
  17. Select the TP POSITION CHECK, then clear the throttle position (TP) learned value.
  18. Turn the ignition switch to LOCK (0).
  19. Turn the ignition switch to ON (II), and wait 2 seconds without pressing the accelerator pedal.
  20. Do the PCM idle learn procedure (see PCM IDLE LEARN PROCEDURE ).