LEMON Manuals: Even more car manuals for everyone: 1960-2025
Home >> Honda >> 2012 >> CR-Z Base, Automatic CVT Trans >> Repair and Diagnosis >> Electrical >> Starter >> Starting System >> Starter Overhaul >> Exploded View
April 5, 2026: LEMON Manuals is launched! Read the announcement.

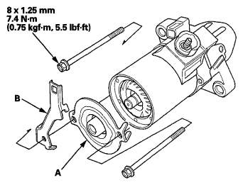
Exploded View

Fig 1: Exploded View Of Starting System With Torque Specifications
G06949221Courtesy of AMERICAN HONDA MOTOR CO., INC.
NOTE: Refer to the Exploded View if needed during this procedure.

Starter Disassembly 

  1. Remove the starter (see STARTER REMOVAL AND INSTALLATION  ).
  2. Remove the engine wire harness bracket (A) and the end cover (B).
    Fig 2: Identifying Engine Wire Harness Bracket And End Cover
    G06949222Courtesy of AMERICAN HONDA MOTOR CO., INC.
  3. Remove the armature housing (A) and the armature (B).
    Fig 3: Identifying Armature Housing And Armature
    G06949223Courtesy of AMERICAN HONDA MOTOR CO., INC.

    Armature Inspection and Test 

  4. Inspect the armature for wear or damage from contact with the permanent magnet. If there is wear or damage, replace the armature.
    Fig 4: Identifying Armature
    G06949224Courtesy of AMERICAN HONDA MOTOR CO., INC.
  5. Check the commutator (A) diameter with a digital caliper or dial type caliper. If the diameter is below the service limit, replace the armature.

    Commutator Diameter 

    Standard (New): 28.0-28.1 mm (1.102-1.106 in) 

    Service Limit: 27.5 mm (1.083 in) 

    Fig 5: Checking Commutator Diameter Using Digital Caliper Or Dial Type Caliper
    G06949225Courtesy of AMERICAN HONDA MOTOR CO., INC.
  6. Measure the commutator (A) runout.
    • If the commutator runout is within the service limit, check the commutator for carbon dust or brass chips between the segments.
    • If the commutator runout is not within the service limit, replace the armature.

      Commutator Runout 

      Standard (New): 0.02 mm (0.0008 in) max. 

      Service Limit: 0.05 mm (0.0020 in) 

      Fig 6: Measuring Commutator Runout
      G06949226Courtesy of AMERICAN HONDA MOTOR CO., INC.
  7. Check the commutator (A) surface. If the surface is dirty or burnt, resurface it with an emery cloth or a lathe to the specification in step  5, or recondition with #500 or #600 sandpaper (B).
    Fig 7: Resurfacing Commutator Surface Using Emery Cloth
    G06949227Courtesy of AMERICAN HONDA MOTOR CO., INC.
  8. Use a digital caliper or dial caliper to check the mica depth (A). If the mica depth is below the service limit, replace the armature.

    Commutator Mica Depth 

    Standard (New): 0.40-0.50 mm (0.0157-0.0197 in) 

    Service Limit: 0.15 mm (0.0059 in) 

    Fig 8: Identifying Commutator Mica Depth
    G06949228Courtesy of AMERICAN HONDA MOTOR CO., INC.
  9. Use an ohmmeter to check for continuity between the segments of the commutator. If there is an open circuit between any segments, replace the armature.
    Fig 9: Checking Continuity Between Segments Of Commutator Using Ohmmeter
    G06949229Courtesy of AMERICAN HONDA MOTOR CO., INC.
  10. Place the armature (A) on an armature tester (B). Hold a hacksaw blade (C) on the armature core. If the blade is attracted to the core while the core is turned, the armature is shorted. Replace the armature.
    Fig 10: Identifying Armature, Armature Tester And Hacksaw Blade
    G06949230Courtesy of AMERICAN HONDA MOTOR CO., INC.
  11. Use an ohmmeter to check for continuity between the commutator (A) and the armature coil core (B), and between the commutator and the armature shaft (C). If there is continuity, replace the armature.
    Fig 11: Checking Continuity Between Commutator And Armature Coil Core Using Ohmmeter
    G06949231Courtesy of AMERICAN HONDA MOTOR CO., INC.

    Starter Brush Holder Test 

  12. Check for continuity between the (+), brushes (A) and the (-) brushes (B). If there is continuity, replace the brush holder set.
    Fig 12: Identifying Starter (+) Brushes And (-) Brushes
    G06949232Courtesy of AMERICAN HONDA MOTOR CO., INC.

    Starter Brush Inspection 

  13. Measure the brush length, If it is shorter than the service limit, replace the brush holder set.

    Brush Length 

    Standard (New): 11.1-11.5 mm (0.437-0.453 in) 

    Service Limit: 4.3 mm (0.169 in) 

    Fig 13: Measuring Brush Length
    G06949233Courtesy of AMERICAN HONDA MOTOR CO., INC.

    Planetary Gear Inspection 

  14. Remove the push nut (A), contact spring (B) and moving contact (C), then remove the brush holder set.
    Fig 14: Identifying Push Nut, Contact Spring And Moving Contact
    G06949234Courtesy of AMERICAN HONDA MOTOR CO., INC.
  15. Check the planetary gears (A), the armature shaft gear (B) and the internal ring gear (C). Replace them if they are worn or damaged.
    Fig 15: Identifying Planetary Gears, Armature Shaft Gear And Internal Ring Gear
    G06949235Courtesy of AMERICAN HONDA MOTOR CO., INC.

    Overrunning Clutch Inspection 

  16. Holding the drive gear (A), turn the gear shaft (B) clockwise. Check that the drive gear comes out to the other end. If the drive gear does not move smoothly, replace the gear cover set.
    Fig 16: Turning Gear Shaft Clockwise While Holding Drive Gear
    G06949236Courtesy of AMERICAN HONDA MOTOR CO., INC.
  17. Holding the drive gear, turn the gear shaft counterclockwise. The gear shaft should rotate freely. If the gear shaft does not rotate smoothly, replace the gear cover set.

    Starter Reassembly 

  18. When the brush holder is replaced: Replace the brush holder set with the moving contact (A), the contact spring (B), and the push nut (C).
    Fig 17: Identifying Moving Contact, Contact Spring, And Push Nut
    G06949237Courtesy of AMERICAN HONDA MOTOR CO., INC.
  19. When the gear cover/reduction gear/plunger is replaced: Replace the new parts set with the contact spring (A) and the push nut (B).
    Fig 18: Identifying Contact Spring And Push Nut
    G06949238Courtesy of AMERICAN HONDA MOTOR CO., INC.
  20. Install the brush into the brush holder, and set the armature (A) in the brush holder (B).
    NOTE: To seat the new brushes, slip a strip of #500 or #600 sandpaper, with the grit side up, between the commutator and each brush, and smoothly rotate the armature. The contact surface of the brushes will be sanded to the same contour as the commutator.
    Fig 19: Identifying Armature, Brush Holder And Brush Springs
    G06949239Courtesy of AMERICAN HONDA MOTOR CO., INC.
  21. While squeezing a brush spring (C), insert it in the hole on the brush holder, and push it until it bottoms. Repeat this for the other three springs (D, E, and F).
  22. Install the armature and the brush holder assembly (A) into the armature housing (B).
    NOTE: Make sure the armature brackets in the holder.
    Fig 20: Identifying Armature And Brush Holder Assembly With Armature Housing
    G06949240Courtesy of AMERICAN HONDA MOTOR CO., INC.
  23. Install the end cover (A) with the engine wire harness bracket (B).
    Fig 21: End Cover And Engine Wire Harness Bracket With Mounting Bolts Torque Specifications
    G06949241Courtesy of AMERICAN HONDA MOTOR CO., INC.
  24. Install the starter (see STARTER REMOVAL AND INSTALLATION  ).