LEMON Manuals: Even more car manuals for everyone: 1960-2025
Home >> Honda >> 2012 >> CR-Z Base, Standard Trans >> Repair and Diagnosis >> External Pages >> Different variant/trim >> Section 1 (CVT) >> CVT >> System Description >> Shift Lock System >> Circuit Diagram - PCM CVT Control System
April 5, 2026: LEMON Manuals is launched! Read the announcement.

Circuit Diagram - PCM CVT Control System

WARNING: This page is about a different variant/trim than selected.
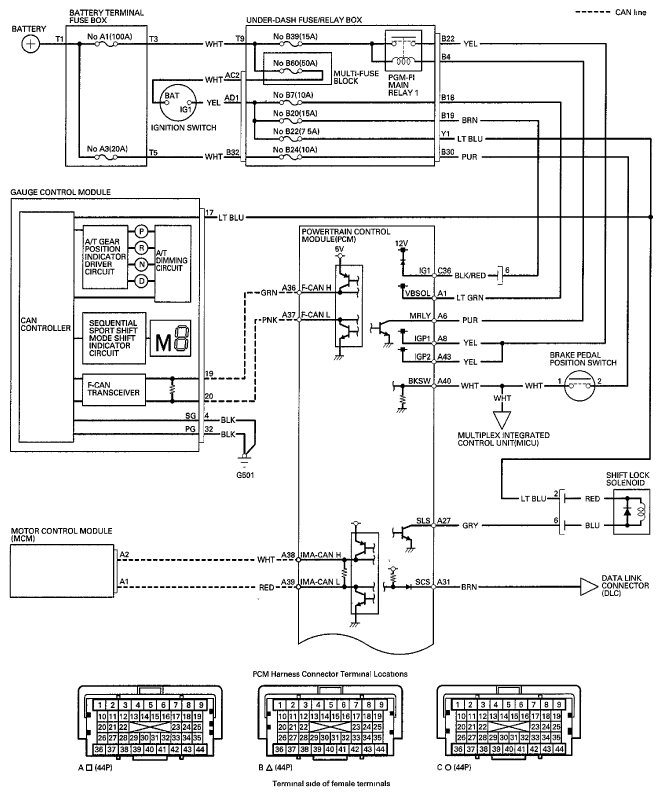
Fig 1: PCM CVT Control System Circuit Diagram (1 Of 2)
G06950915Courtesy of AMERICAN HONDA MOTOR CO., INC.
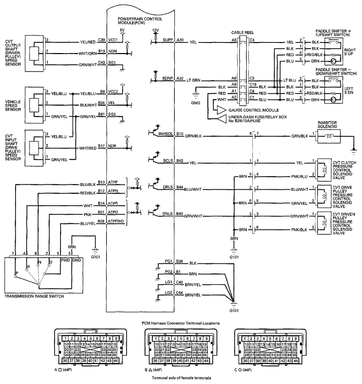
Fig 2: PCM CVT Control System Circuit Diagram (2 Of 2)
G06950916Courtesy of AMERICAN HONDA MOTOR CO., INC.