LEMON Manuals: Even more car manuals for everyone: 1960-2025
Home >> Honda >> 2012 >> Insight Base >> Repair and Diagnosis >> External Pages >> Different car >> Section 67 (Entry Lights Control System) >> Circuit Diagram
April 5, 2026: LEMON Manuals is launched! Read the announcement.

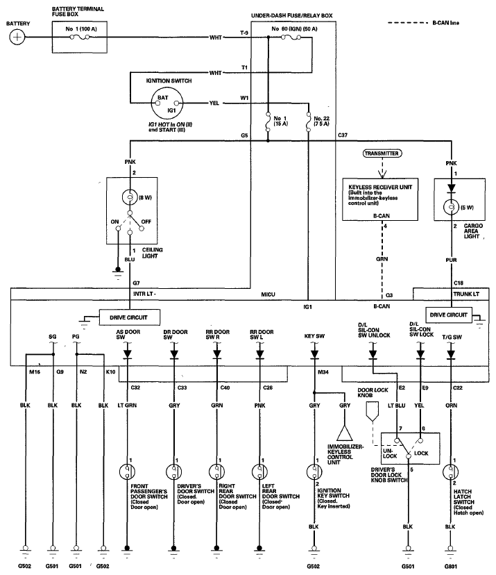
Circuit Diagram

WARNING: This page is about a different car, the 2011 Honda Insight and 2010 Honda Insight. However, it is still accessible from the selected car via links, so may be relevant.
Fig 1: Entry Lights Control System - Circuit Diagram
G06431617Courtesy of AMERICAN HONDA MOTOR CO., INC.