LEMON Manuals: Even more car manuals for everyone: 1960-2025
Home >> Honda >> 2012 >> Insight LX >> Repair and Diagnosis >> Engine Performance >> System >> Advanced Diagnostics >> DTC P062F: Powertrain Control Module (PCM) Internal Control Module Keep Alive Memory (KAM) Error (PGM-FI System) >> Notes
April 5, 2026: LEMON Manuals is launched! Read the announcement.

DTC P062F: Powertrain Control Module (PCM) Internal Control Module Keep Alive Memory (KAM) Error (PGM-FI System): Notes

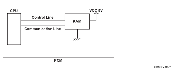
Fig 1: CPU And Keep Alive Memory Communication Diagram
G06628341