LEMON Manuals: Even more car manuals for everyone: 1960-2025
Home >> Honda >> 2012 >> Odyssey EX >> Repair and Diagnosis >> Engine Performance >> System >> Electronic Throttle Control System >> Throttle Body Removal/Installation
April 5, 2026: LEMON Manuals is launched! Read the announcement.

Throttle Body Removal/Installation

CAUTION: Do not insert your fingers into the installed throttle body when you turn the ignition switch to ON (II) or while the ignition switch is in ON (II). If you do, you will seriously injure your fingers if the throttle valve is activated.
  1. Connect the HDS while the engine is stopped.
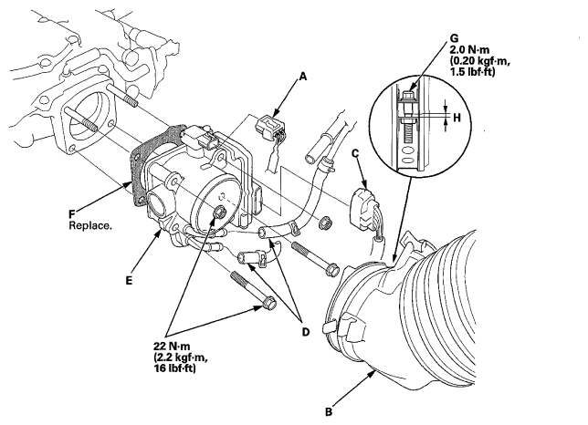
  2. Disconnect the MAP sensor connector (A).
    Fig 1: MAP Sensor Connector, Intake Air Duct, Water Bypass Hoses, Throttle Body And Connector With Torque Specifications
    G06964000Courtesy of AMERICAN HONDA MOTOR CO., INC.
  3. Remove the intake air duct (B).
  4. Disconnect the throttle body connector (C).
  5. Disconnect and plug the water bypass hoses (D).
  6. Remove the throttle body (E).
  7. Install the parts in the reverse order of removal with a new gasket (F), then refill the radiator with tengine coolant COOLANT CHECK
    NOTE:
    • After torqueing the screw of the hose band (G), make sure the clearance (H) is less than 0.04 in (1.0 mm) After installing the throttle body, do these items:
    • If it is in case of replacing or cleaning the throttle body, go to step 8. If it isn't, this procedure is complete.
  8. Connect the HDS to the data link connector (DLC) (A) located under the driver's side of the dashboard.
    Fig 2: Identifying Data Link Connector (DLC)
    G06964001Courtesy of AMERICAN HONDA MOTOR CO., INC.
  9. Turn the ignition switch to the ON (II).
  10. Reset the PCM with the HDS.
  11. Select the ETCS TEST in the INSPECTION MENU with the HDS.
  12. Select the TP POSITION CHECK and clear the throttle position (TP) learned value.
  13. Turn the ignition switch to LOCK (0).
  14. Turn the ignition switch to ON (II), and wait 2 seconds without pressing the accelerator pedal.
  15. Do the PCM idle learn procedure (see PCM IDLE LEARN PROCEDURE ).