LEMON Manuals: Even more car manuals for everyone: 1960-2025
Home >> Honda >> 2012 >> Pilot 4WD V6-3.5L >> Repair and Diagnosis >> Powertrain Management >> Computers and Control Systems >> Variable Valve Timing Actuator Position Sensor >> Locations >> Engine Block Assembly Component Location Index
April 5, 2026: LEMON Manuals is launched! Read the announcement.

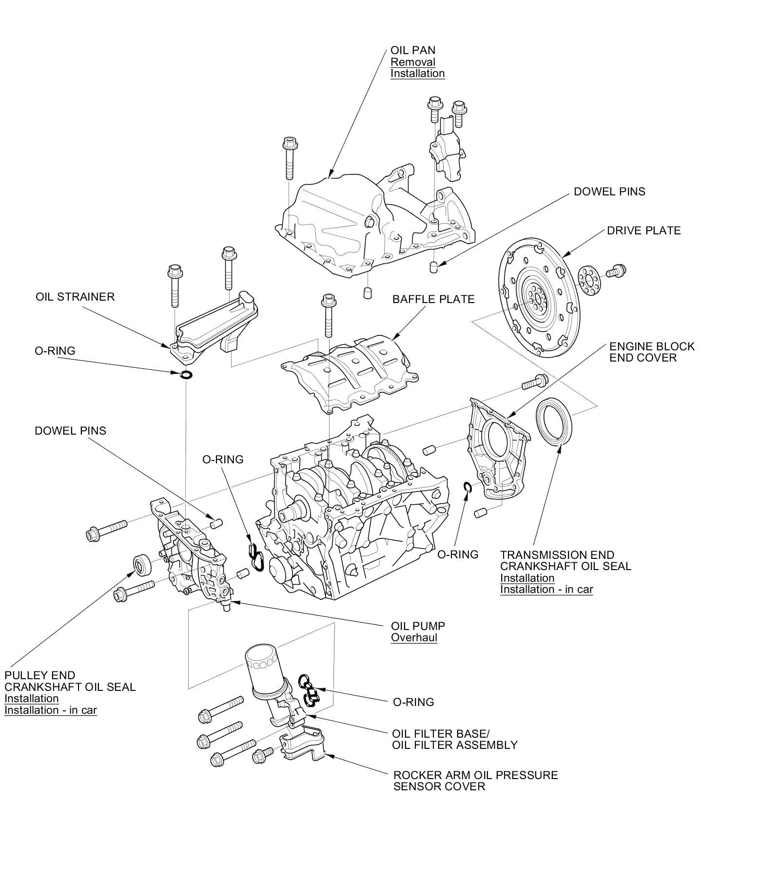
Engine Block Assembly Component Location Index




Engine Block Assembly Component Location Index