LEMON Manuals: Even more car manuals for everyone: 1960-2025
Home >> Honda >> 2012 >> Ridgeline RT >> Repair and Diagnosis >> Transmission >> Automatic Trans >> Automatic Transmission >> A/T Gear Position Indicator >> D3 Switch Test/Replacement
April 5, 2026: LEMON Manuals is launched! Read the announcement.

D3 Switch Test/Replacement

  1. Remove the shift lever assembly (see SHIFT LEVER REMOVAL ).
  2. Check for continuity between D3 switch/shift lock solenoid/park pin switch connector terminals No. 3 and No. 4 while pressing the D3 button and when the button is released.
    Fig 1: Checking Continuity Between D3 Switch/Shift Lock Solenoid/Park Pin Switch Connector Terminals No. 3 And 4
    G06628960Courtesy of AMERICAN HONDA MOTOR CO., INC.
  3. There should be continuity while pressing the D3 button, and there should be no continuity when the D3 button is released.
  4. If the 03 switch tests OK, install the shift lever assembly (see SHIFT LEVER INSTALLATION ).

    If the switch is faulty, go to step 5, and replace the D3 switch.

  5. Remove the harness clamps from the shift lever bracket, and remove the harnesses from the harness clamps.
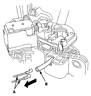
  6. Pry up the lock covers (A) of the D3 switch/shift lock solenoid/park pin switch connector (B).
    Fig 2: Removing D3 Switch/Shift Lock Solenoid/Park Pin Switch Connector Terminal
    G06628961Courtesy of AMERICAN HONDA MOTOR CO., INC.
  7. Remove the terminal (C) from the connector by pushing the lock tab up in the connector using a thin blade screwdriver (D). Remove all six terminals, and replace the connector.
  8. Pry off the shift lever knob ring (A), and remove it.
    Fig 3: Identifying Shift Lever Knob Ring And D3 Switch
    G06628962Courtesy of AMERICAN HONDA MOTOR CO., INC.
  9. Unlatch the D3 switch harness clamp on the shift lever bracket, pry out the D3 switch (B), and pull it from the knob.
  10. Remove the D3 switch harness terminals by prying the lock tabs up with a thin blade screwdriver.
    Fig 4: Removing D3 Switch Harness Terminals
    G06628963Courtesy of AMERICAN HONDA MOTOR CO., INC.
  11. Pull the D3 switch harness wires (A) from shift lever bracket side, and remove the harness wires. Leave the harness tube (B) and remove only the wires.
    Fig 5: Removing D3 Switch Harness Wires
    G06628964Courtesy of AMERICAN HONDA MOTOR CO., INC.
  12. Remove the shift lever knob (A) from the shift lever.
    Fig 6: Identifying Shift Lever Knob
    G06628965Courtesy of AMERICAN HONDA MOTOR CO., INC.
  13. Install a new shift lever knob on the shift lever.
  14. Insert a new D3 switch harness wires (A) in the original harness tube (B), then tie a string (C) around the tube to secure the terminals in the tube.
    Fig 7: Identifying D3 Switch Harness Wires, Original Harness Tube And String
    G06628966Courtesy of AMERICAN HONDA MOTOR CO., INC.
  15. Pull the old tube out of the shift lever knob side to install the D3 switch harness wires.
    Fig 8: Removing Old Tube From Shift Lever Knob
    G06628967Courtesy of AMERICAN HONDA MOTOR CO., INC.
  16. Remove the old harness tube from the D3 switch harness terminals.
  17. Install the D3 switch harness terminals in a new D3 switch. Either harness terminal can be installed in either cavity.
    Fig 9: Identifying D3 Switch Harness Terminals
    G06628968Courtesy of AMERICAN HONDA MOTOR CO., INC.
  18. Install the D3 switch (A) in the shift lever knob (B).
    Fig 10: Identifying D3 Switch, Shift Lever Knob And Shift Lever Knob Ring
    G06628969Courtesy of AMERICAN HONDA MOTOR CO., INC.
  19. Install a new shift lever knob ring (C).
  20. Install the RED harness terminal (A) of the shift lock solenoid in the No. 5 cavity, and the BLK harness terminal (B) in the No. 6 cavity.
    Fig 11: Identifying Shift Lock Solenoid Connector Terminals
    G06628970Courtesy of AMERICAN HONDA MOTOR CO., INC.
  21. Install the D3 switch harness terminals (WHT) (C) in the No. 3 and No. 4 cavities. Either D3 switch harness terminal can be installed in the No. 3 and No. 4 cavities.
  22. Install the park pin switch harness terminals (BLK) (D) in the No. 1 and No. 2 cavities. Either park pin switch harness terminal can be installed in the No. 1 and No. 2 cavities.
  23. Make sure that all six terminals lock securely, then install the lock covers (E) securely in place.
  24. Install the D3 switch harness (A) in the harness clamp (B) at the mark (C).
    Fig 12: Identifying D3 Switch Harness, Harness Clamp And Mark
    G06628971Courtesy of AMERICAN HONDA MOTOR CO., INC.
  25. Route the harnesses (A) through the guides (B).
    Fig 13: Harnesses Routing Through Guides
    G06628972Courtesy of AMERICAN HONDA MOTOR CO., INC.
  26. Align the marks (C) on each harness, and tie the harness together into bundle with a new harness wire tie (D) over the marks.
  27. Tie the harness together into bundle with a new harness wire tie, then install the harness wire tie (E) on the shift lever bracket.
  28. Install the shift lever assembly (see SHIFT LEVER INSTALLATION ).
  29. Check that the D3 switch operates.