LEMON Manuals: Even more car manuals for everyone: 1960-2025
Home >> Honda >> 2012 >> Ridgeline RT >> Repair and Diagnosis >> Transmission >> Automatic Trans >> Automatic Transmission >> System Description >> Lock-up System >> Circuit Diagram - PCM A/T Control System
April 5, 2026: LEMON Manuals is launched! Read the announcement.

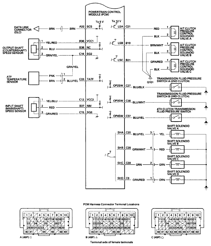
Circuit Diagram - PCM A/T Control System

Fig 1: PCM A/T Control System - Circuit Diagram (1 Of 2)
G06628644Courtesy of AMERICAN HONDA MOTOR CO., INC.
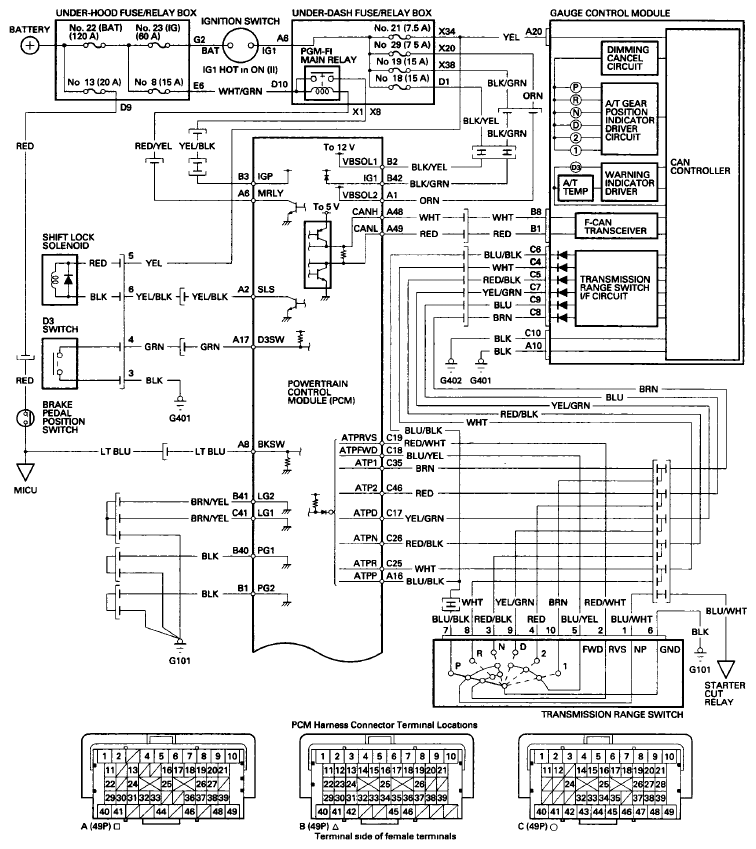
Fig 2: PCM A/T Control System - Circuit Diagram (2 Of 2)
G06628645Courtesy of AMERICAN HONDA MOTOR CO., INC.