LEMON Manuals: Even more car manuals for everyone: 1960-2025
Home >> Honda >> 2012 >> Ridgeline RTL >> Repair and Diagnosis >> Engine Performance >> System >> Advanced Diagnostics >> DTC P2118: Throttle Actuator Current Range/Performance Problem >> Notes
April 5, 2026: LEMON Manuals is launched! Read the announcement.

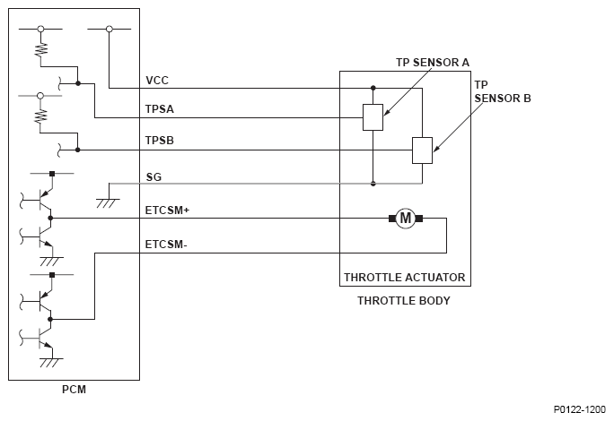
DTC P2118: Throttle Actuator Current Range/Performance Problem: Notes

Fig 1: Throttle Actuator Current Range/Performance Problem - Wiring Diagram
G08569345Courtesy of AMERICAN HONDA MOTOR CO., INC.