LEMON Manuals: Even more car manuals for everyone: 1960-2025
Home >> Honda >> 2012 >> Ridgeline RTL >> Repair and Diagnosis >> Transmission >> Automatic Trans >> Automatic Transmission >> System Description >> Electronic Control System >> PCM A/T Control System Electrical Connections
April 5, 2026: LEMON Manuals is launched! Read the announcement.

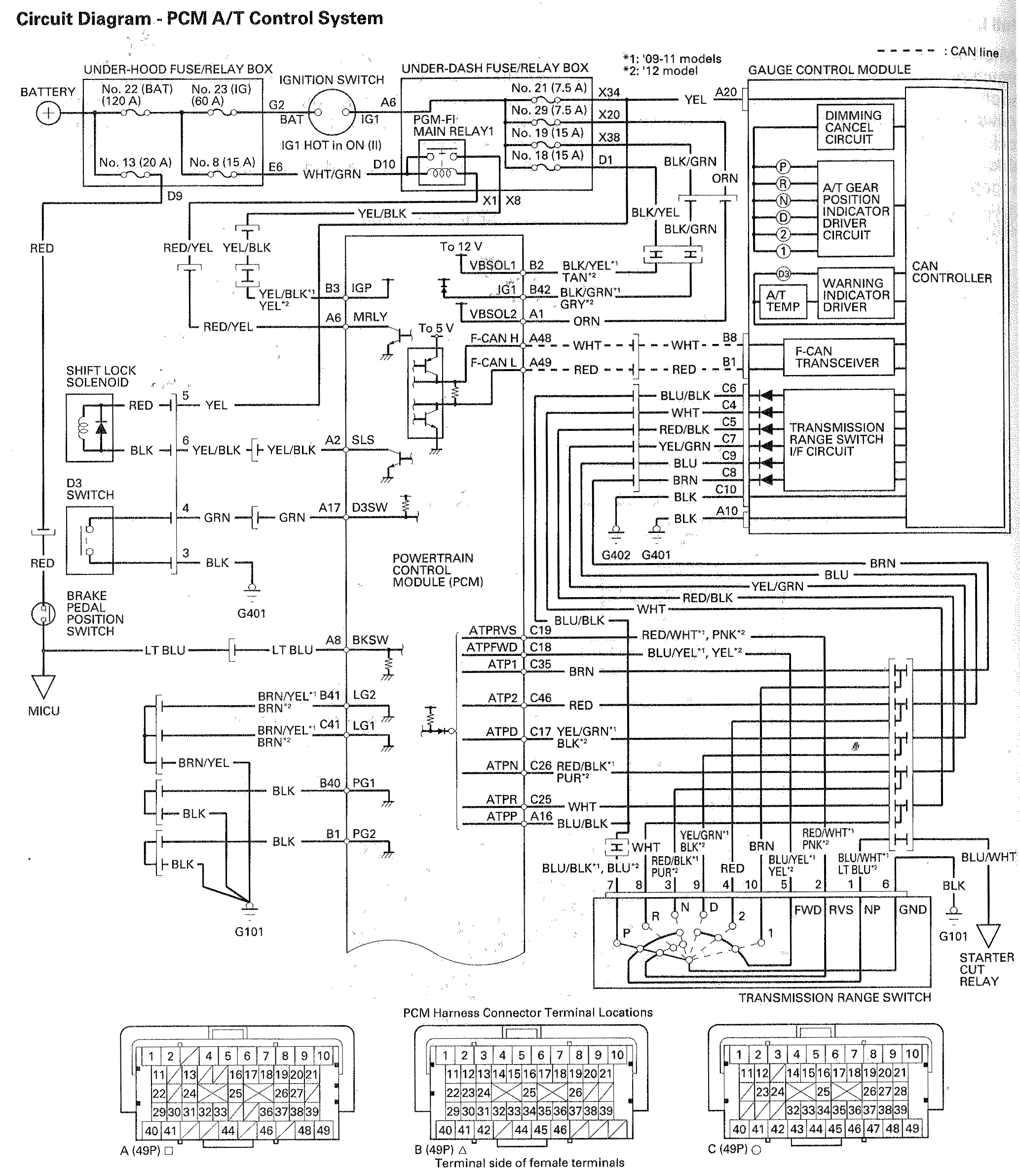
PCM A/T Control System Electrical Connections

Fig 1: PCM A/T Control System Electrical Connection
G06628612Courtesy of AMERICAN HONDA MOTOR CO., INC.