LEMON Manuals: Even more car manuals for everyone: 1960-2025
Home >> Honda >> 2014 >> Accord Plug-In >> Repair and Diagnosis >> Engine Performance >> Engine Control Systems >> Engine Control System & Engine Mechanical - Service, Testing & Troubleshooting (Hybrid) >> Description >> Electronic Throttle Control System Description - Control
April 5, 2026: LEMON Manuals is launched! Read the announcement.

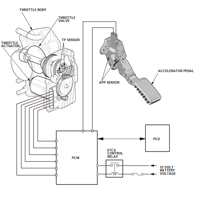
Electronic Throttle Control System Description - Control

When the accelerator pedal is operated, accelerator pedal position or APP sensor is driven and the accelerator pedal position is detected. The accelerator pedal position is delivered to the PCM, and the PCM drives the throttle actuator in the throttle body based on the delivered position to open and close the throttle valve.

Throttle position is detected by the throttle position or TP sensor in the throttle body and delivered to the PCM.

GHH259404Courtesy of HONDA, U.S.A., INC.