LEMON Manuals: Even more car manuals for everyone: 1960-2025
Home >> Honda >> 2017 >> CR-V EX, AWD >> Repair and Diagnosis >> Engine Performance >> Engine Control Systems >> Engine Control System / Engine Mechanical - Testing & Troubleshooting (Except Hybrid) >> Description & Operation >> EVAP System Description
April 5, 2026: LEMON Manuals is launched! Read the announcement.

EVAP System Description

For locations of each component on vehicle, refer to Component Location Index

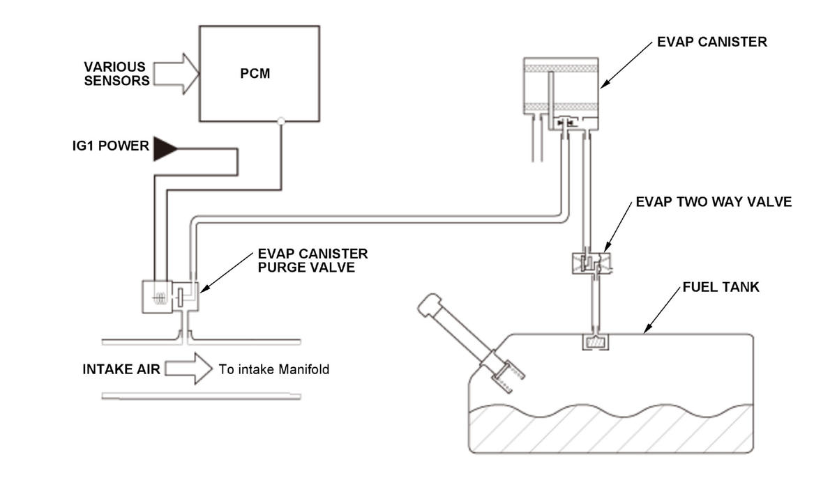
The evaporative emission (EVAP) controls minimize the amount of fuel vapor escaping to the atmosphere. Vapor from the fuel tank is temporarily stored in the EVAP canister until it can be purged from the canister into the engine and burned. The EVAP canister is purged by drawing fresh air through it and into a port on the intake manifold. The purging vacuum is controlled by the EVAP canister purge valve. When vapor pressure in the fuel tank is higher than the set value of the EVAP two way valve, the valve opens and regulates the flow of fuel vapor to the EVAP canister (Mexico models). Also attached to the EVAP canister are the EVAP leak check module (1.5 L engine (USA and Canada models)) or the EVAP canister vent shut valve and the fuel tank pressure (FTP) sensor (2.4 L engine (USA models)).

Operation (2.4 L engine (USA models)) 

When fuel tank pressure increases because of heat and fuel vapor generation, evaporated fuel vapors are sent to the EVAP canister where they are stored. When the engine coolant is hot enough, the PCM opens the EVAP canister purge valve to draw the stored fuel vapor in the EVAP canister into the intake manifold to be burned. To regulate the amount of fuel vapor drawn into the engine, the PCM varies the EVAP canister purge valve opening using duty cycle control. When the outside air or other factor cools the fuel tank inside, the fuel tank pressure decreases. The EVAP canister vent shut valve is normally open and allows outside air to enter the fuel tank through the EVAP canister. If there is a system malfunction or blockage in the vent hose, a pressure valve on the fuel fill port opens and allows outside air to enter preventing system damage. The PCM uses the FTP sensor and EVAP canister vent shut valve to check for leaks in the system. When the enabling conditions are met, the EVAP canister vent shut valve is closed, the PCM monitors for changes in the FTP sensor.

GHH426858Courtesy of HONDA, U.S.A., INC.

Operation (1.5 L engine (USA and Canada models)) 

When fuel tank pressure increases because of heat and fuel vapor generation, evaporated fuel vapors are sent to the EVAP canister where they are stored. When the engine coolant is hot enough, the PCM opens the EVAP canister purge valve to draw the stored fuel vapor in the EVAP canister into the intake manifold to be burned. To regulate the amount of fuel vapor drawn into the engine, the PCM varies the EVAP canister purge valve opening using duty cycle control. When the outside air or other factor cools the fuel tank inside, the fuel tank pressure decreases. The EVAP leak check module is normally open and allows outside air to enter the fuel tank through the EVAP canister. If there is a system malfunction or blockage in the vent hose, a pressure valve on the fuel fill port opens and allows outside air to enter preventing system damage. The PCM uses the EVAP leak check module to check for leaks in the system. When the enabling conditions are met, the EVAP leak check module is operated, the PCM monitors for changes in the EVAP leak check module.

GHH426859Courtesy of HONDA, U.S.A., INC.

Operation (Mexico models) 

The evaporated fuel vapors in the fuel tank increases the inside pressure of fuel tank. The increased pressure causes the positive pressure valve to open when the pressure is over the preset value for the two way valve. The evaporated fuel vapors which passed the two way valve are sent to the EVAP canister where they are stored. When the engine coolant is hot enough, the powertrain control module (PCM) opens the EVAP canister purge valve to draw the stored fuel vapor in the EVAP canister into the intake manifold to be burned. To regulate the amount of fuel vapor drawn into the engine, the PCM varies the EVAP canister purge valve opening using duty cycle control. When the outside air or other factor cools the fuel tank inside, the tank pressure decreases. The decreased pressure is negative and opens the negative pressure valve when the pressure is over the preset value for two way valve. Low pressure may deform the fuel tank. Therefore, outside air is inhaled into the evaporative canister through its intake. The inhaled outside air and evaporative emission in the evaporative emission canister are returned into the fuel tank. If there is a system malfunction or blockage in the vent hose, a pressure valve on the fuel fill port opens and allows outside air to enter preventing system damage.

GHH426860Courtesy of HONDA, U.S.A., INC.

Joint of Intake Air Line (1.5 L engine) 

The purge air from the EVAP canister is drawn into the intake air at the merge point where more strong suction force. Therefore, the merge point is variable by the engine condition with the turbocharger boost pressure.

GHH426861Courtesy of HONDA, U.S.A., INC.
Engine Condition Turbocharger Boost Pressure Non-return Valve A Non-return Valve B Merge Point
Low Load Zero Open Close Point 2
Mid Load Rising-up from Zero Open Open Point 1 and Point 2
High Load High Close Open Point 1

EVAP Leak Check Module (1.5 L engine (USA and Canada models)) 

The EVAP leak check module is a small vacuum pump used to leak check the EVAP system to create a vacuum in the system and is mounted on a bracket to the side of the EVAP canister. Inside of the module has a EVAP leak check module pressure sensor and a canister changeover valve. The canister changeover valve is normally open when not energized. When open the valve allows air to flow in and out of the canister. When energized the valve seals the canister side of the system from the atmosphere.

GHH426862Courtesy of HONDA, U.S.A., INC.