LEMON Manuals: Even more car manuals for everyone: 1960-2025
Home >> Honda >> 2018 >> Clarity Plug-In Hybrid >> Repair and Diagnosis >> Engine Performance >> Engine Control Systems >> Engine Control System / Engine Mechanical - Testing & Troubleshooting - (Plug- In) >> System Description >> PGM-FI System Description
April 5, 2026: LEMON Manuals is launched! Read the announcement.

PGM-FI System Description

Components 

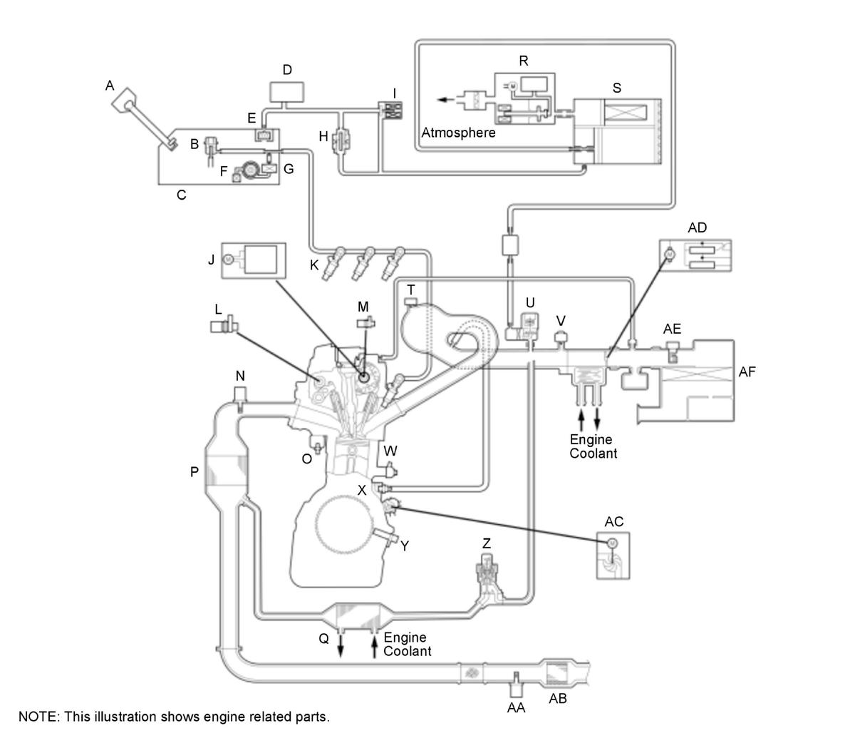
For locations of each component on vehicle, refer to Component Location Index

GHH418182Courtesy of HONDA, U.S.A., INC.
A FUEL FILL CAP Q EXHAUST GAS RECIRCULATION (EGR) COOLER
B FUEL PRESSURE REGULATOR R EVAPORATIVE EMISSION (EVAP) LEAK CHECK MODULE
C FUEL TANK S EVAPORATIVE EMISSION (EVAP) CANISTER
D FTP SENSOR T INTAKE AIR TEMPERATURE (IAT) SENSOR 2
E FUEL TANK VAPOR CONTROL VALVE U EVAPORATIVE EMISSION (EVAP) CANISTER PURGE VALVE
F FUEL PUMP V MANIFOLD ABSOLUTE PRESSURE (MAP) SENSOR
G FUEL FILTER W KNOCK SENSOR
H EVAPORATIVE EMISSION (EVAP) TWO WAY VALVE X POSITIVE CRANKCASE VENTILATION (PCV) VALVE
I FUEL VAPOR CONTAINMENT VALVE Y CRANKSHAFT POSITION (CKP) SENSOR
J ELECTRIC VTC MOTOR Z EXHAUST GAS RECIRCULATION (EGR) VALVE and VALVE POSITION SENSOR
K FUEL INJECTOR AA SECONDARY HEATED OXYGEN SENSOR (SECONDARY HO2S) (SENSOR 2)
L CAMSHAFT POSITION (CMP) SENSOR B AB UNDER-FLOOR THREE WAY CATALYTIC CONVERTER (UNDER-FLOOR TWC)
M CAMSHAFT POSITION (CMP) SENSOR A AC ELECTRIC ENGINE COOLANT PUMP
N AIR FUEL RATIO (A/F) SENSOR (SENSOR 1) AD THROTTLE BODY
O ENGINE COOLANT TEMPERATURE (ECT) SENSOR 1 AE MASS AIR FLOW (MAF) SENSOR/INTAKE AIR TEMPERATURE (IAT) SENSOR 1
P WARM UP THREE WAY CATALYTIC CONVERTER (WU-TWC) AF AIR CLEANER

Electronic Control 

The powertrain control module (PCM) consists of a CPU memory (storage unit) and inputs/outputs that control the fuel injection, injection timing, idling and electronic throttle control system (ETCS).

Fail-Safe Function 

When a malfunction occurs in the signal from a sensor or from another control unit, the PCM ignores that signal and substitutes a pre-programmed value that allows the engine to continue running. This causes a Confirmed DTC to be stored and the MIL to come on.

Updated Function 

The PCM has a rewritable ROM. The ROM can acquire the latest software version.

MIL Indicator Check 

When the vehicle is turned to the ON mode, the PCM turns on the MIL via the F-CAN circuit for about 15 to 20 seconds to check the indicator condition.

Self Shut Down (SSD) Mode 

After the vehicle is turned to the OFF (LOCK) mode, the PCM stays on for up to an hour. If a PCM connector is disconnected during this time, the PCM may be damaged. To cancel this mode, disconnect the 12V battery negative cable from the battery or jump the SCS line with the HDS after the vehicle is turned to the OFF (LOCK) mode.

Two Drive Cycle Detection Method 

The DTCs are detected with the one or two driving cycle method in the PCM. Specific DTCs which are considered as a not intermittent failure apply the two driving cycle method.When a malfunction occurs in the signal from a sensor or from another control unit in the first drive cycle, the PCM stores a pending DTC. The MIL does not come on at this time. If the failure continues in the second drive cycle, the PCM stores a confirmed DTC and turns on the MIL.

Injection Control 

Fuel injection controls include fuel injection amount control, fuel cut control, and fuel pump control. Adaptive PGM-FI (programmed-fuel injection) technology enables accurate fuel controls, which contributes to increasing engine power and decreasing fuel consumption.

Air fuel ratio control is part of fuel injection control and comprises the stops of:

Air fuel ratio control stops feedback under the following conditions in order to maintain operational performance and catalytic protection.

Fuel Injection 

The fuel injection duration is determined by adding correction values to a basic injection duration.The powertrain control module (PCM) controls the amount of fuel injection by the length of time the injector is energized.

For locations of each component on vehicle, refer to Component Location Index

GHH418183Courtesy of HONDA, U.S.A., INC.

Fuel Injection Timing 

The fuel injection timing is determined by the PCM, which calculates the injection time for each cylinder based on the signals from the crankshaft position (CKP) sensor and the camshaft position (CMP) sensor. The PCM then controls the time to energize the injector.

Ignition Timing Control 

The powertrain control module (PCM) contains the memory for basic ignition timing at various engine speeds and manifold absolute pressures. It also adjusts the ignition timing according to engine coolant temperature and intake air temperature.

For locations of each component on vehicle, refer to Component Location Index

GHH418184Courtesy of HONDA, U.S.A., INC.

Fuel Cut-off Control 

Recovery Engine Speed from Fuel Cut-off During Deceleration 

After warming up, during deceleration with the throttle valve slightly opened from the fully closed position, the powertrain control module (PCM) stops the fuel injection when the engine speed is over the specified value to improve of fuel efficiency.

Fuel Cut-off Control at High Engine Speed 

To prevent the engine from damage, the PCM stops the fuel injection when the engine speed is in the limited area (red zone). The PCM stops fuel injection while vehicle is driven and while at a stop.

  When the vehicle is being driven When the vehicle is stopped
Fuel cut-off at high engine speed 5, 700 rpm 5, 700 rpm