DTC P0685
DTC P0685: Powertrain Control Module (PCM) Power Control Circuit/Internal Circuit Malfunction
General Description
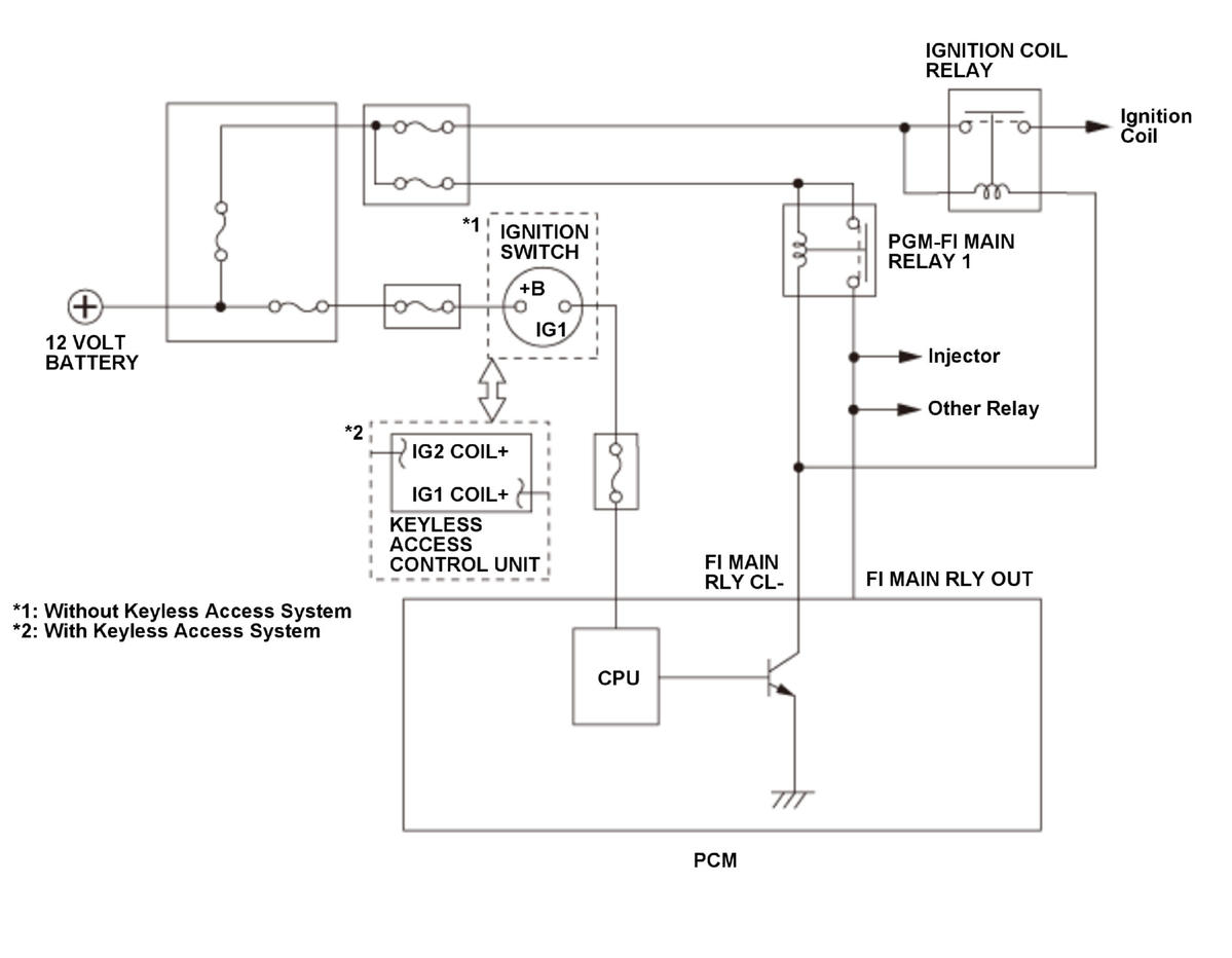
After the vehicle is turned to the OFF (LOCK) mode, the powertrain control module (PCM) does not shut down immediately. After finishing a predetermined process according to the request of each device and system, the power supply is automatically disconnected (self shut-down function). The PCM power is disconnected by controlling PGM-FI main relay 1. During a normal PCM shut down, the shut down process is executed by the CPU, PGM-FI main relay 1 is turned off, and the voltage to the PCM is turned off to shut down the PCM. When the voltage to the PCM is turned off and the PCM shuts down without the normal shut down procedure, the PCM detects a malfunction in the PGM-FI main relay 1 control circuit and stores a DTC.
Monitor Execution, Sequence, Duration, DTC Type, OBD Status
| Execution | Continuous |
| Sequence | None |
| Duration | 1 second or less |
| DTC Type | Two drive cycles, MIL on |
| OBD Status | PASSED/FAILED/NOT COMPLETED (STILL TESTING) |
Enable Conditions
| Condition | Minimum | Maximum |
|---|---|---|
| Elapsed time after starting the engine | 10 seconds | - |
[ ]: HDS Parameter
| Condition | Minimum | Maximum |
|---|---|---|
| Engine speed[ENGINE SPEED] | 400 rpm | - |
[ ]: HDS Parameter
Malfunction Threshold
The PCM is shut down within 1 second without the normal shut down procedure.
Possible Cause
NOTE: The causes shown may not be a complete list of all potential problems, and it is possible that there may be other causes.
- PCM internal circuit failure
- PGM-FI main relay 1 FI MAIN RLY CL- line intermittent open
- PGM-FI main relay 1 failure
- PGM-FI main fuse failure
- Poor connections or loose terminals between PCM and under-hood fuse/relay box
- Poor or loose PCM ground terminals and connections
- Poor or loose 12 volt battery cables and connections
- 12 volt battery failure
Diagnosis Details
Conditions for setting the DTC
When a malfunction is detected during the first drive cycle, a Pending DTC is stored in the PCM memory. If the malfunction returns in the next (second) drive cycle, the MIL comes on and a Confirmed DTC and the freeze data are stored.
Conditions for clearing the DTC
The MIL is cleared if the malfunction does not return in three consecutive trips in which the diagnostic runs. The MIL, the Pending DTC, the Confirmed DTC, and the freeze data can be cleared with the scan tool Clear command or by disconnecting the 12 volt battery.