LEMON Manuals: Even more car manuals for everyone: 1960-2025
Home >> Honda >> 2021 >> Insight EX >> Repair and Diagnosis >> Body & Frame >> Door Locks >> Security System / Keyless Entry System - Testing & Troubleshooting >> Circuit Diagram >> Keyless Access System
April 5, 2026: LEMON Manuals is launched! Read the announcement.

Keyless Access System

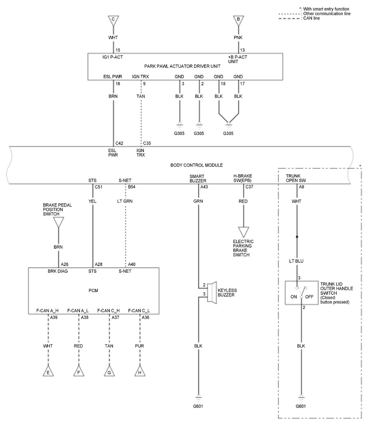
GHH387902Courtesy of HONDA, U.S.A., INC.
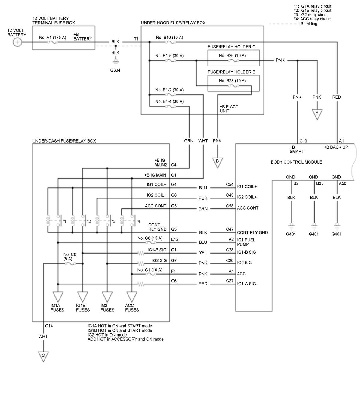
GHH387903Courtesy of HONDA, U.S.A., INC.
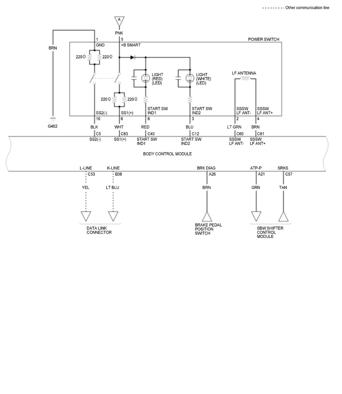
GHH387904Courtesy of HONDA, U.S.A., INC.
GHH387905Courtesy of HONDA, U.S.A., INC.
GHH387906Courtesy of HONDA, U.S.A., INC.