LEMON Manuals: Even more car manuals for everyone: 1960-2025
Home >> Honda >> 2021 >> Ridgeline RTL-E >> Repair and Diagnosis >> Body & Frame >> Door Locks >> Security System / Keyless Entry System - Service Information >> Removal & Installation Test >> Engine Start/Stop Switch Removal, Installation, and Test >> Test
April 5, 2026: LEMON Manuals is launched! Read the announcement.

Engine Start/Stop Switch Removal, Installation, and Test: Test

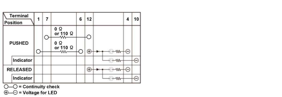
  1. Engine Start/Stop Switch - Test

    1. Check the engine start/stop switch according to the table in illustration.

    NOTE:
    • When an LED is located between terminals, check if the LED illuminates by connecting power and ground to the LED.
    • Note this important operating characteristic; diode bias causes a diode to fully conduct electricity in one direction (forward), while not at all in the opposite direction (reverse).
    GHH459481Courtesy of HONDA, U.S.A., INC.
    GHH459482Courtesy of HONDA, U.S.A., INC.

    2. If the result is not as specified, replace the engine start/stop switch.