LEMON Manuals: Even more car manuals for everyone: 1960-2025
Home >> Hummer >> 2003 >> H2 >> Repair and Diagnosis >> External Pages >> Different car >> Section 560 (Data Link Communication System) >> Component Locator >> Data Link Communications Component Views
April 5, 2026: LEMON Manuals is launched! Read the announcement.

Data Link Communications Component Views

WARNING: This page is about a different car, the 2004 Hummer H2. However, it is still accessible from the selected car via links, so may be relevant.
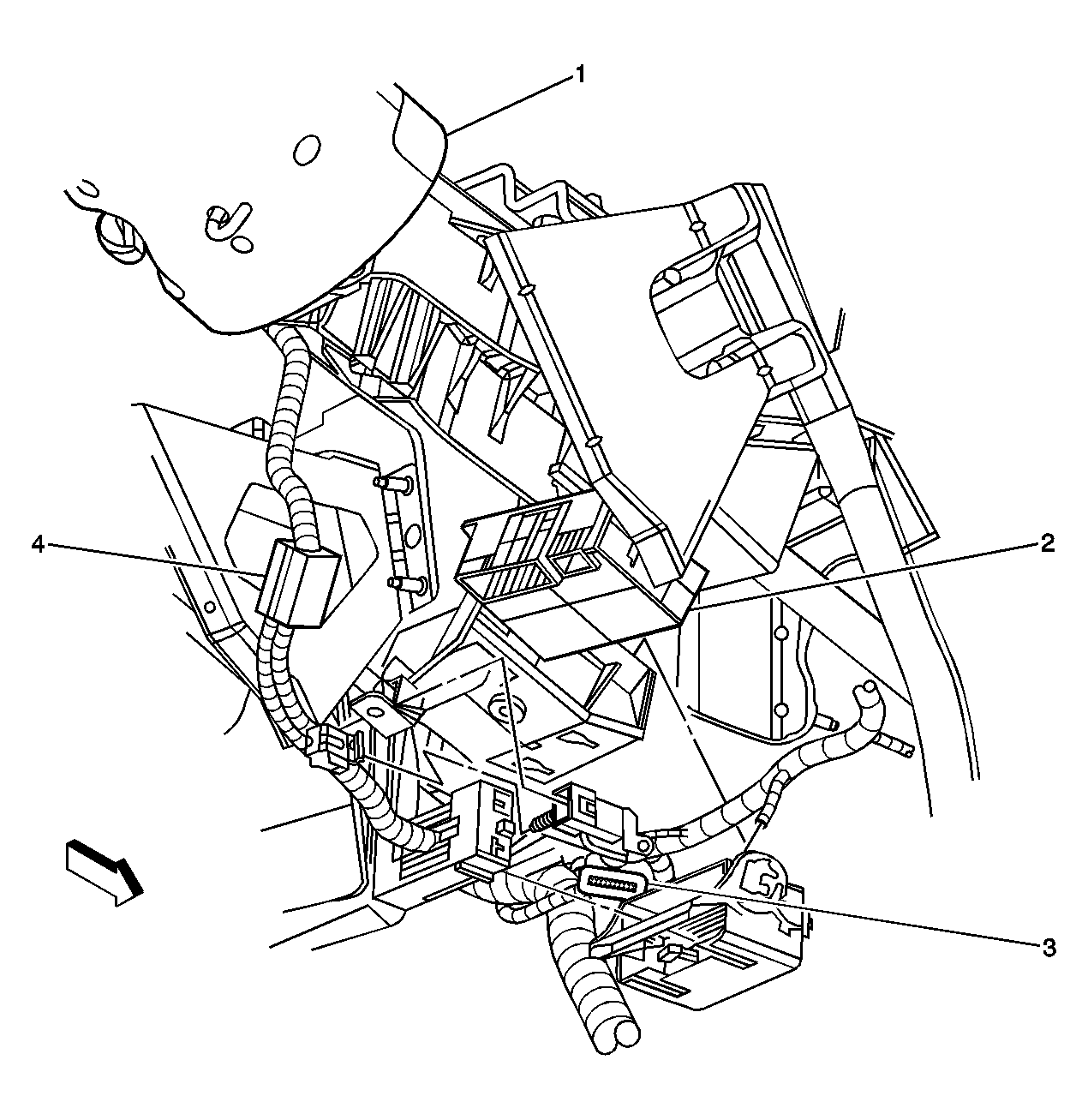
Fig 1: Data Link Connector & Splice Pack SP205 Component Views
GM819776Courtesy of GENERAL MOTORS CORP.
Callout Component Name
1 BCM-C1
2 BCM-C2
3 BCM-C4
4 BCM-C3
5 BCM-C5
6 Body Control Module (BCM)
7 Footwell Courtesy Lamp-Left (If Equipped)
8 Data Link Connector (DLC)
9 Fuse Block-IP-C1
10 Fuse Block-IP Center Block
11 Splice Pack SP205
Fig 2: Splice Pack SP206 Component Views
GM857908Courtesy of GENERAL MOTORS CORP.
Callout Component Name
1 Steering Column
2 Transfer Case Shift Control Module
3 Splice Pack SP206
4 Steering Wheel Controls Backlight Fuse
Fig 3: Splice Pack SP207 Component Views
GM825721Courtesy of GENERAL MOTORS CORP.
Callout Component Name
1 C200
2 Splice Pack SP207
3 C201
4 Left Side Cowl Panel