LEMON Manuals: Even more car manuals for everyone: 1960-2025
Home >> Hummer >> 2003 >> H2 >> Repair and Diagnosis >> Quick Lookups >> Electrical Component Locations >> Electrical Component Locator >> Component Location Graphics
April 5, 2026: LEMON Manuals is launched! Read the announcement.

Component Location Graphics

NOTE: Figures may show multiple component locations. Refer to appropriate table for proper figure references.
Fig 1: Right Front Of Engine Compartment
G00150371Courtesy of GENERAL MOTORS CORP.
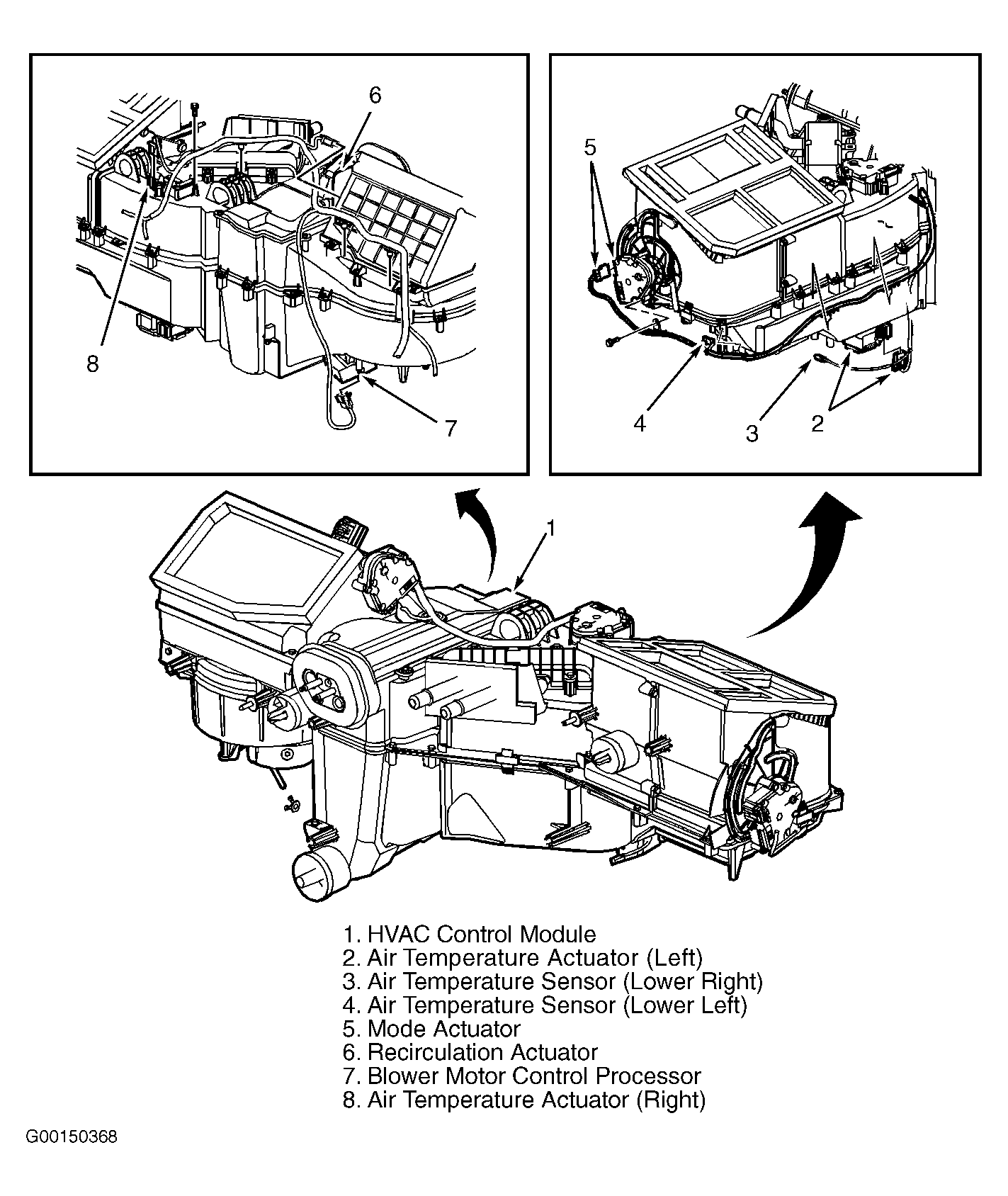
Fig 2: HVAC Unit
G00150368Courtesy of GENERAL MOTORS CORP.
Fig 3: Front Of Engine
G00150376Courtesy of GENERAL MOTORS CORP.
Fig 4: Left Rear Of Engine
G00150369Courtesy of GENERAL MOTORS CORP.
Fig 5: Top Of Engine
G00150372Courtesy of GENERAL MOTORS CORP.
Fig 6: Top Right View Of Exhaust
G00150370Courtesy of GENERAL MOTORS CORP.
Fig 7: Left Rear Of Frame
G00150373Courtesy of GENERAL MOTORS CORP.
Fig 8: Left Front Of Frame
G00150374Courtesy of GENERAL MOTORS CORP.